歡迎來到 東莞市錦鴻塑膠五金模具配件有限公司 網站!

模具配件 VODA

中國地區服務熱線:

180 3348 3551

電話:0769-87330001轉8802

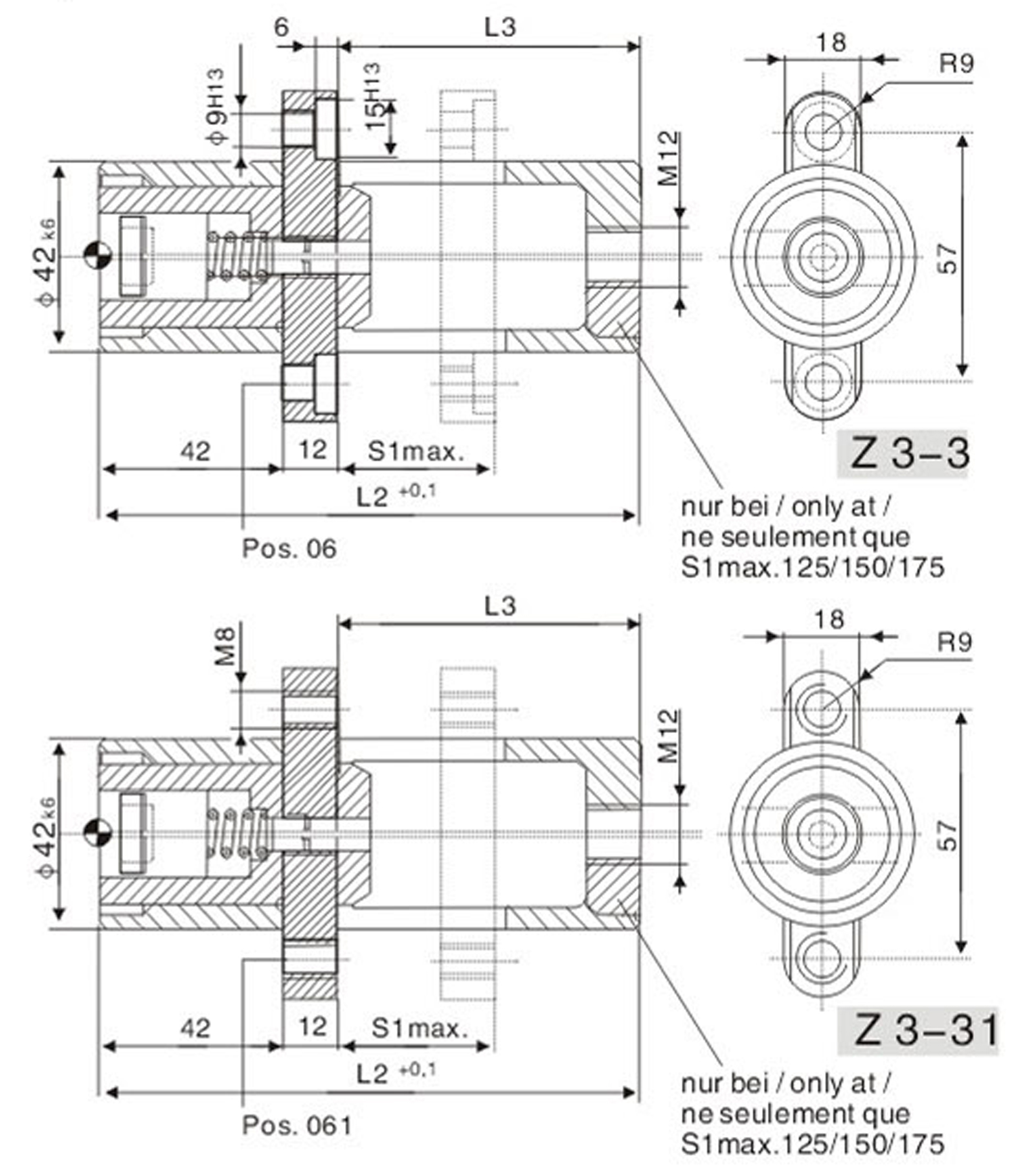
型號: ZZ3-31 -[待選參數]

內鎖???Z3-3 Z3-31

INTERNAL LATCH LOCK

 

 

注意事項: 在模具加工中請精確加工對稱安裝, 至少使用2套模具以上, 請根據不同模具的負荷決定數量及規格。

特點: 具有複位機構, 二次頂出裝置的功能, 使用時需良好的潤滑,才能使産品壽命更長、 更耐磨。
             Characteristics: It has reset mechanism and double ejection device function. Good lubrication is needed in usage so  that product life can be much longer and the product can become more abrasion resistant.

S1mas.L1L2L3L4
501251307650
175
225
75175155101
225
100175180126
225
S1mas.L1L2L3L4
12527520515150
325
150275230176
325
175275255201
325
-
Order: Type No.xPcs

Z3-3  X 10

使用例

Example

Pos.SD
115

30

10
Pos.SD
125

42

10




2D下載        3D下載

歡迎咨詢136-鎖模扣Z3-3-Z3-31 產品相關問題, 咨詢電話 ? 0769-87330001轉8802,或咨詢在線客服 (工作日:8:30-18:00)。

訂購:136-鎖??踆3-3-Z3-31

跟此產品相關的產品