歡迎來到 東莞市錦鴻塑膠五金模具配件有限公司 網站!

模具配件 VODA

中國地區服務熱線:

180 3348 3551

電話:0769-87330001轉8802

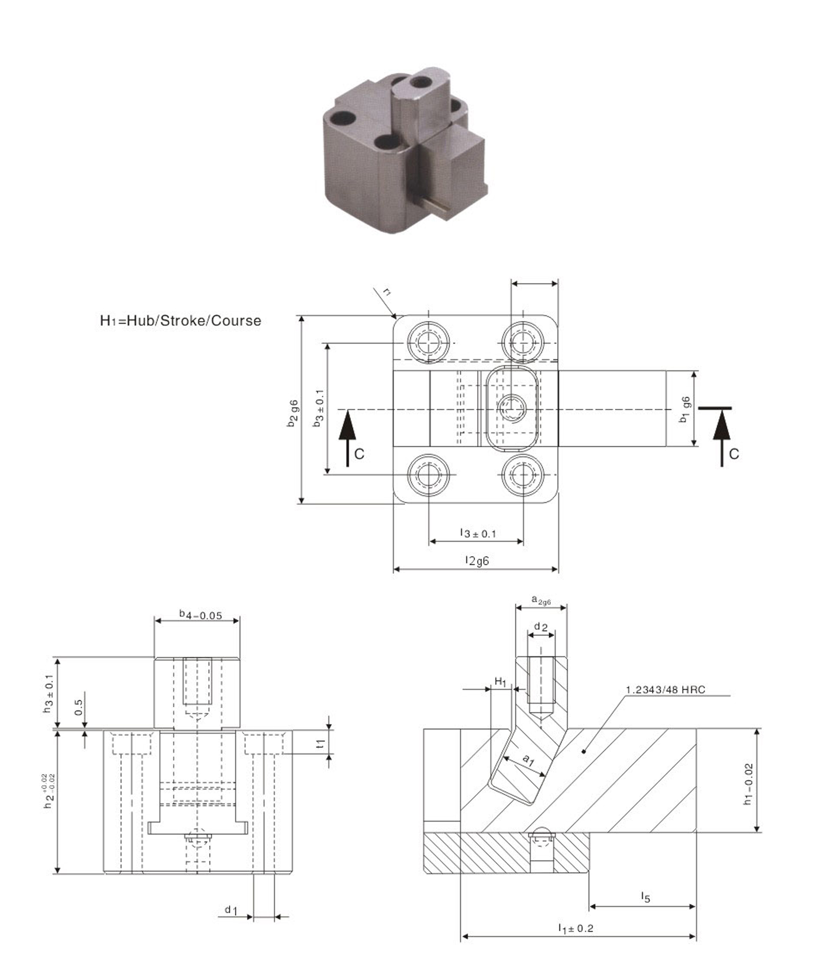
型號: Z1812 -[待選參數]

側抽芯滑塊 Z1812

SLIDER UNITS

Nr./No.t1r1l1l4l3l2l1d2d1h3h2b4b3b2a2H1a1b1h1
Z1812/10x 16x224,6622,910203552M64,51730222840114,6101622
12x25x306,8733,815355075M86,62040304055137122530
Order:Type No.

Z 1812 / 10

2D下載        3D下載

歡迎咨詢167-側抽芯滑塊Z1812 產品相關問題, 咨詢電話 ? 0769-87330001轉8802,或咨詢在線客服 (工作日:8:30-18:00)。

訂購:167-側抽芯滑塊Z1812

跟此產品相關的產品