歡迎來到 東莞市錦鴻塑膠五金模具配件有限公司 網站!

模具配件 VODA

中國地區服務熱線:

180 3348 3551

電話:0769-87330001轉8802

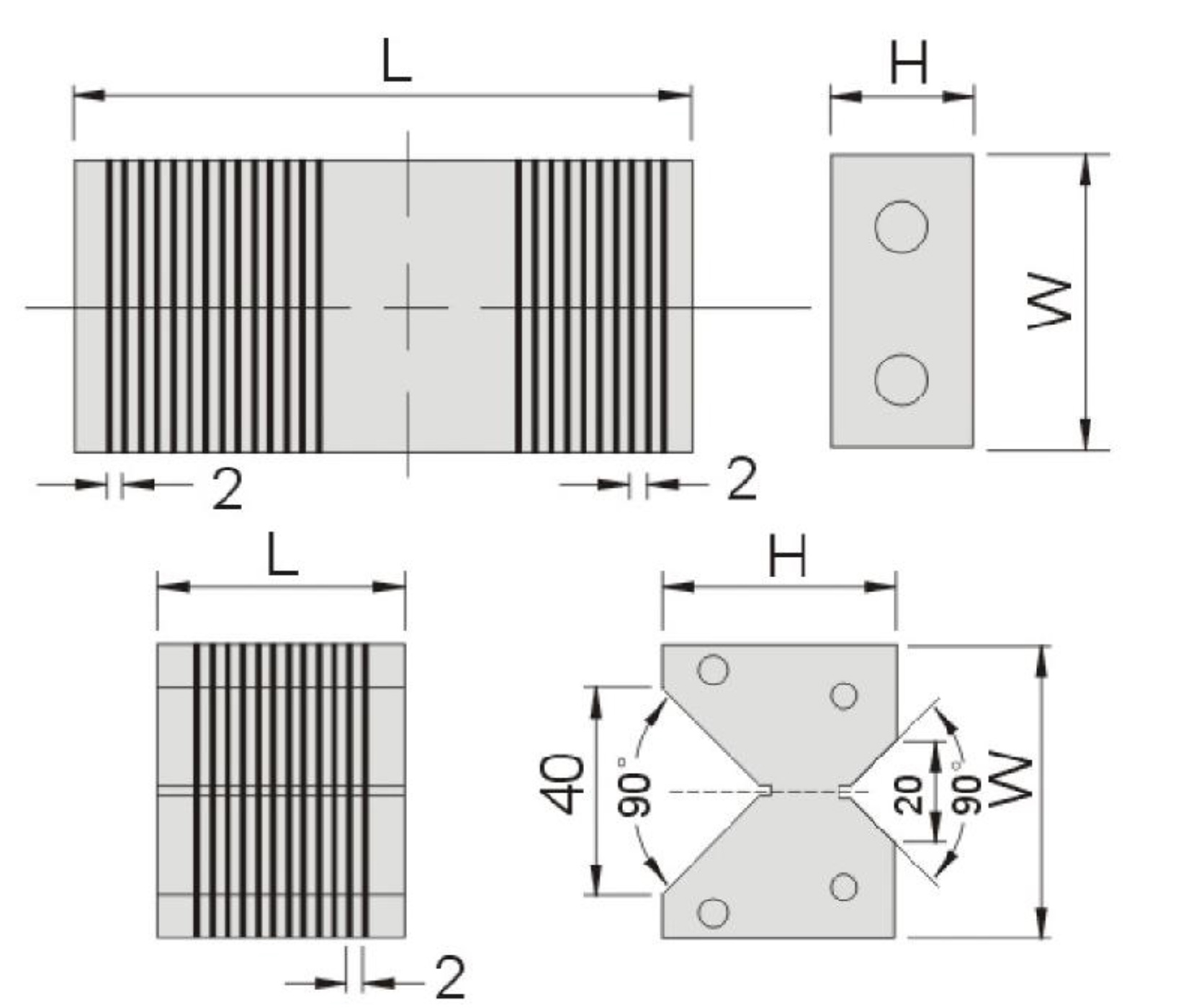
型號: GT5465 -[待選參數]

精密磨床配件

MAGNETIC TOOLS

5465 gt  導線塊(銅制)


特點:

  • 無磁性的導磁塊可使用在任何磁盤上做導磁后即有磁性,做平面或45度的治具之用 。

  • 導磁塊是根據磁性延伸的原理制作的輔助工具。 通過磁盤的吸引和導磁,即産生磁性。 可 使用在圓形工作物、薄板和其它難以吸持的工件形狀。

  • 導磁塊主要分爲兩種:方形導磁塊和M形導磁塊以滿足不同的加工需要 。

訂購編號
型號
L x W x Hx PCS重量
Order No.ModelN.W
5465-10GT1100x50x25-2PCS2kg
5465-20GT249x58x46-2PCS1.7kg
5465-30GT398x58x46-1PCS3.4kg 

歡迎咨詢導線塊 GT 5465 產品相關問題, 咨詢電話 ? 0769-87330001轉8802,或咨詢在線客服 (工作日:8:30-18:00)。

訂購:導線塊 GT 5465

跟此產品相關的產品