歡迎來到 東莞市錦鴻塑膠五金模具配件有限公司 網站!

模具配件 VODA

中國地區服務熱線:

180 3348 3551

電話:0769-87330001轉8802

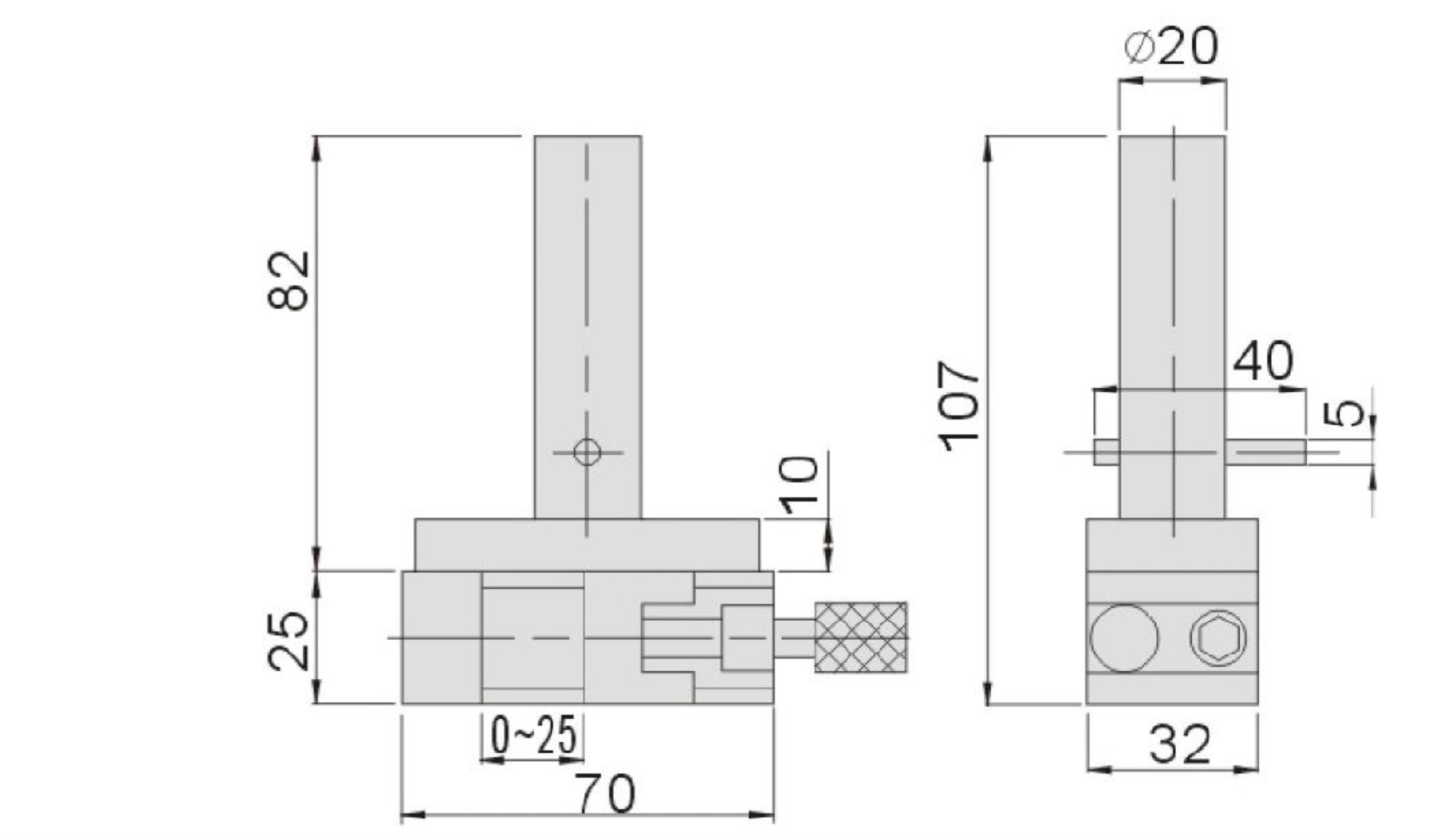
型號: vw20 -[待選參數]

精密磨床配件

MAGNETIC TOOLS

vw20不銹鋼電極萬力


特點:

  • 能從兩個方向夾持工件, 適合電極夾緊、微小、微細工作

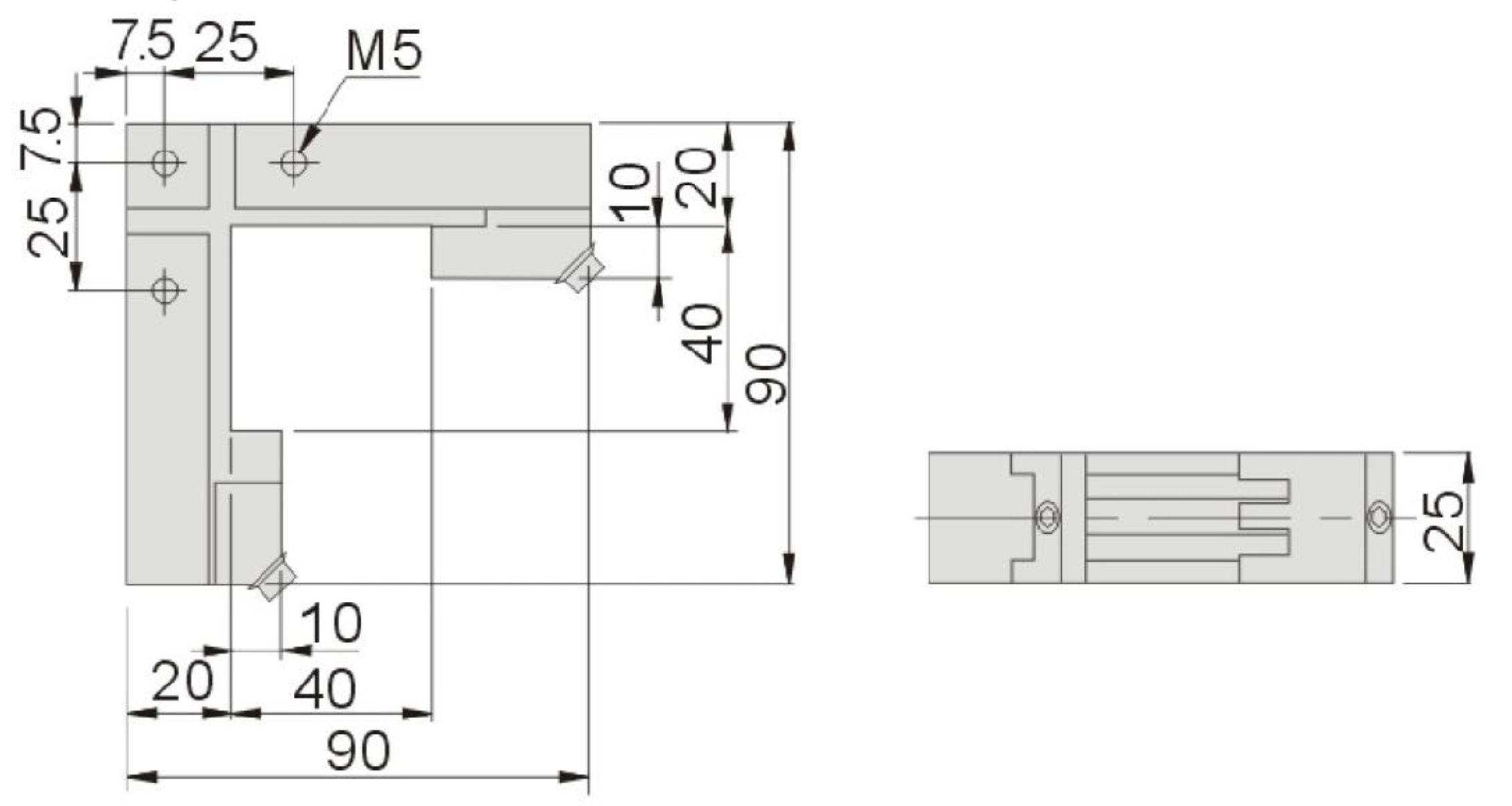
5615 vh20不銹鋼電極萬力


特點:

  • 用于放電加工機上交持放電極.

5620 evh20不銹鋼電極萬力


特點:

  • 用于放電加工機上交持放電極.

  • 鉗口開閉采用手動螺桿設計,較適合于小型工件夾持。


歡迎咨詢不銹鋼電極萬力 vw20 產品相關問題, 咨詢電話 ? 0769-87330001轉8802,或咨詢在線客服 (工作日:8:30-18:00)。

訂購:不銹鋼電極萬力 vw20

跟此產品相關的產品