歡迎來到 東莞市錦鴻塑膠五金模具配件有限公司 網站!

模具配件 VODA

中國地區服務熱線:

180 3348 3551

電話:0769-87330001轉8802

c0b-ca-cb
您的位置:首頁 > 模具配件 > 油缸系列
型號: c0b-ca-cb -[待選參數]

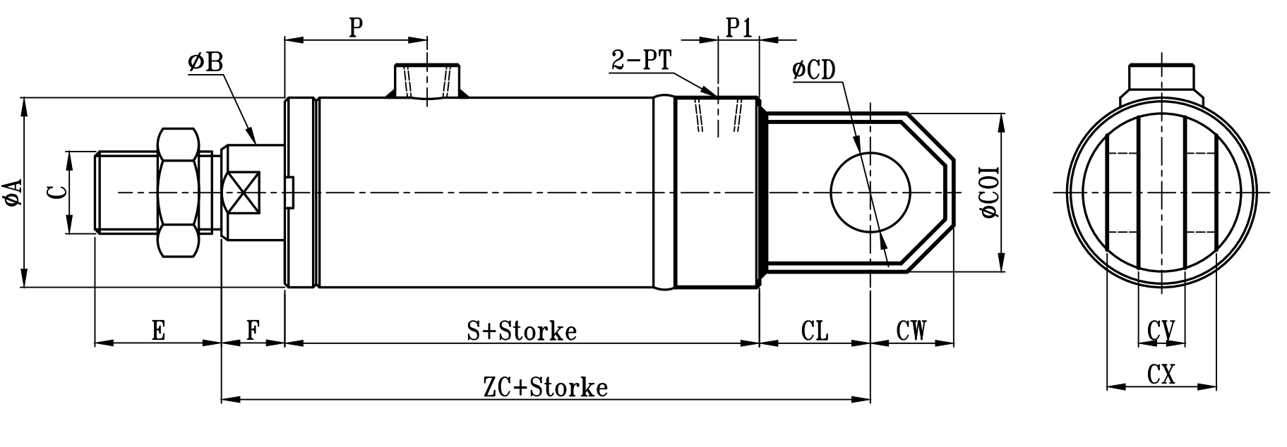
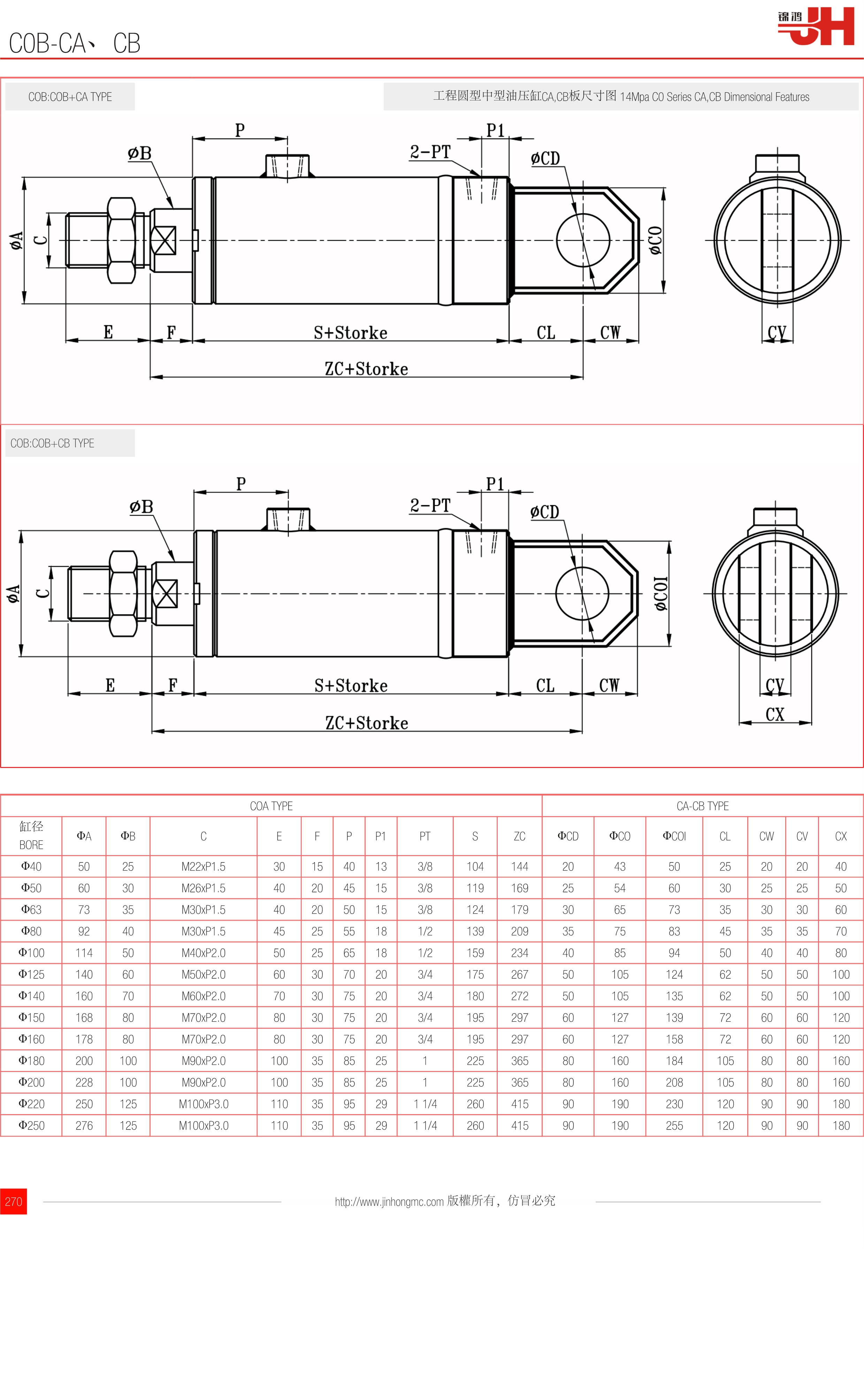
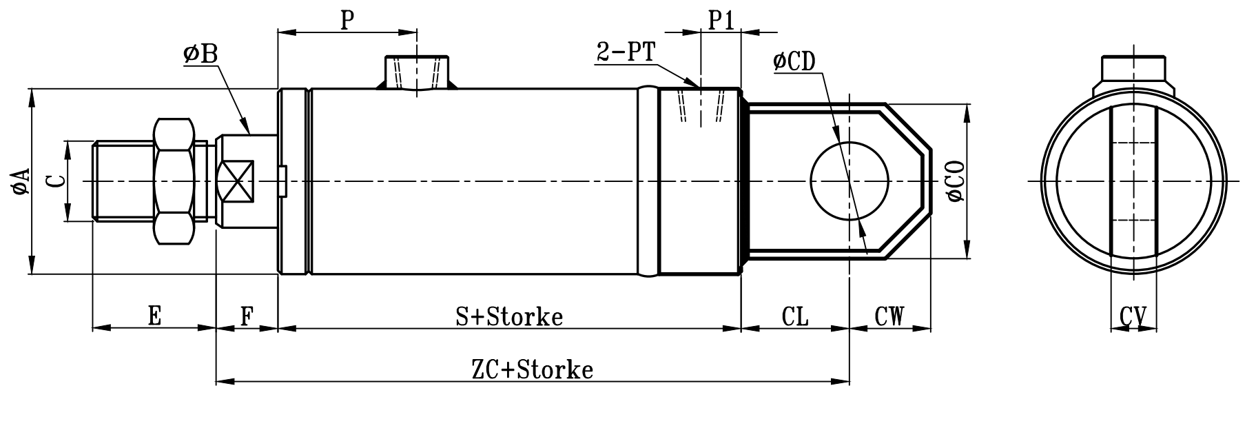
C0B-CA、CB

COB:COB+CA TYPE

工程圓型中型油壓缸CA,CB板尺寸圖 14Mpa C0 Series CA,CB Dimensional Features

COB:COB+CB TYPE

COA TYPECA-CB TYPE
缸徑
BORE
ΦAΦBCEFPP1PTSZCΦCDΦCOΦCOICLCWCVCX
Φ405025M22xP1.5301540133/810414420435025202040
Φ506030M26xP1.5402045153/811916925546030252550
Φ637335M30xP1.5402050153/812417930657335303060
Φ809240M30xP1.5452555181/213920935758345353570
Φ10011450M40xP2.0502565181/215923440859450404080
Φ12514060M50xP2.0603070203/417526750105124625050100
Φ14016070M60xP2.0703075203/418027250105135625050100
Φ15016880M70xP2.0803075203/419529760127139726060120
Φ16017880M70xP2.0803075203/419529760127158726060120
Φ180200100M90xP2.01003585251225365801601841058080160
Φ200228100M90xP2.01003585251225365801602081058080160
Φ220250125M100xP3.01103595291 1/4260415901902301209090180
Φ250276125M100xP3.01103595291 1/4260415901902551209090180

歡迎咨詢c0b-ca-cb 產品相關問題, 咨詢電話 ? 0769-87330001轉8802,或咨詢在線客服 (工作日:8:30-18:00)。

訂購:c0b-ca-cb

跟此產品相關的產品