歡迎來到 東莞市錦鴻塑膠五金模具配件有限公司 網站!

模具配件 VODA

中國地區服務熱線:

180 3348 3551

電話:0769-87330001轉8802

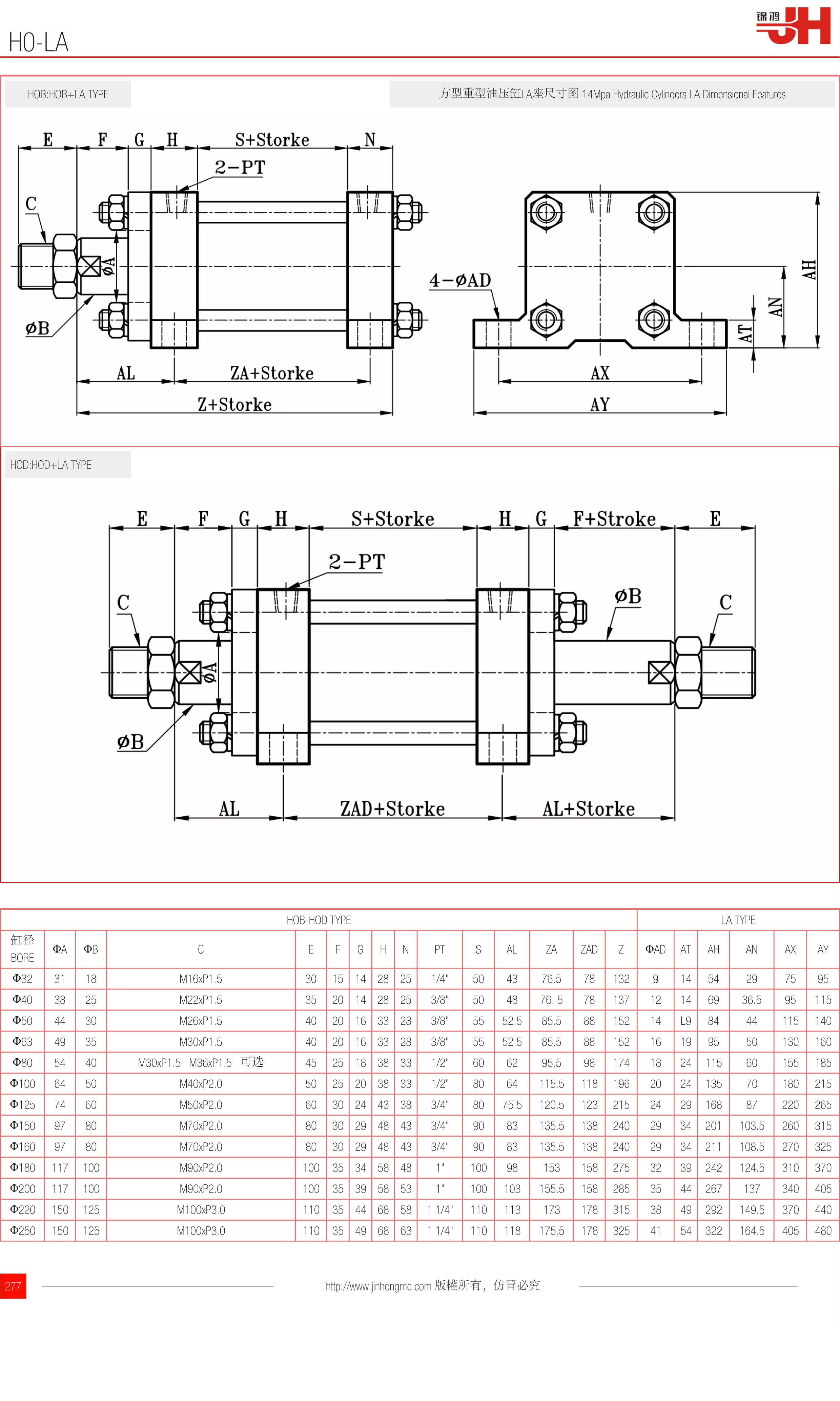
h0-la
您的位置:首頁 > 模具配件 > 油缸系列
型號: h0-la -[待選參數]

H0-LA

HOB:HOB+LA TYPE

方型重型油壓缸LA座尺寸圖 14Mpa Hydraulic Cylinders LA Dimensional Features

HOD:HOD+LA TYPE

HOB-HOD TYPELA TYPE
缸徑
BORE
ΦAΦBCEFGHNPTSALZAZADZΦADATAHANAXAY
Φ323118M16xP1.530151428251/4"504376.57813291454297595
Φ403825M22xP1.535201428253/8"504876. 57813712146936.595115
Φ504430M26xP1.540201633283/8"5552.585.58815214L98444115140
Φ634935M30xP1.540201633283/8"5552.585.58815216199550130160
Φ805440M30xP1.5   M36xP1.5   可選45251838331/2"606295.598174182411560155185
Φ1006450M40xP2.050252038331/2"8064115.5118196202413570180215
Φ1257460M50xP2.060302443383/4"8075.5120.5123215242916887220265
Φ1509780M70xP2.080302948433/4"9083135.51382402934201103.5260315
Φ1609780M70xP2.080302948433/4"9083135.51382402934211108.5270325
Φ180117100M90xP2.0100353458481"100981531582753239242124.5310370
Φ200117100M90xP2.0100353958531"100103155.51582853544267137340405
Φ220150125M100xP3.0110354468581 1/4"1101131731783153849292149.5370440
Φ250150125M100xP3.0110354968631 1/4"110118175.51783254154322164.5405480

歡迎咨詢h0-la 產品相關問題, 咨詢電話 ? 0769-87330001轉8802,或咨詢在線客服 (工作日:8:30-18:00)。

訂購:h0-la

跟此產品相關的產品