歡迎來到 東莞市錦鴻塑膠五金模具配件有限公司 網站!

模具配件 VODA

中國地區服務熱線:

180 3348 3551

電話:0769-87330001轉8802

hr0-ca
您的位置:首頁 > 模具配件 > 油缸系列
型號: hr0-ca -[待選參數]

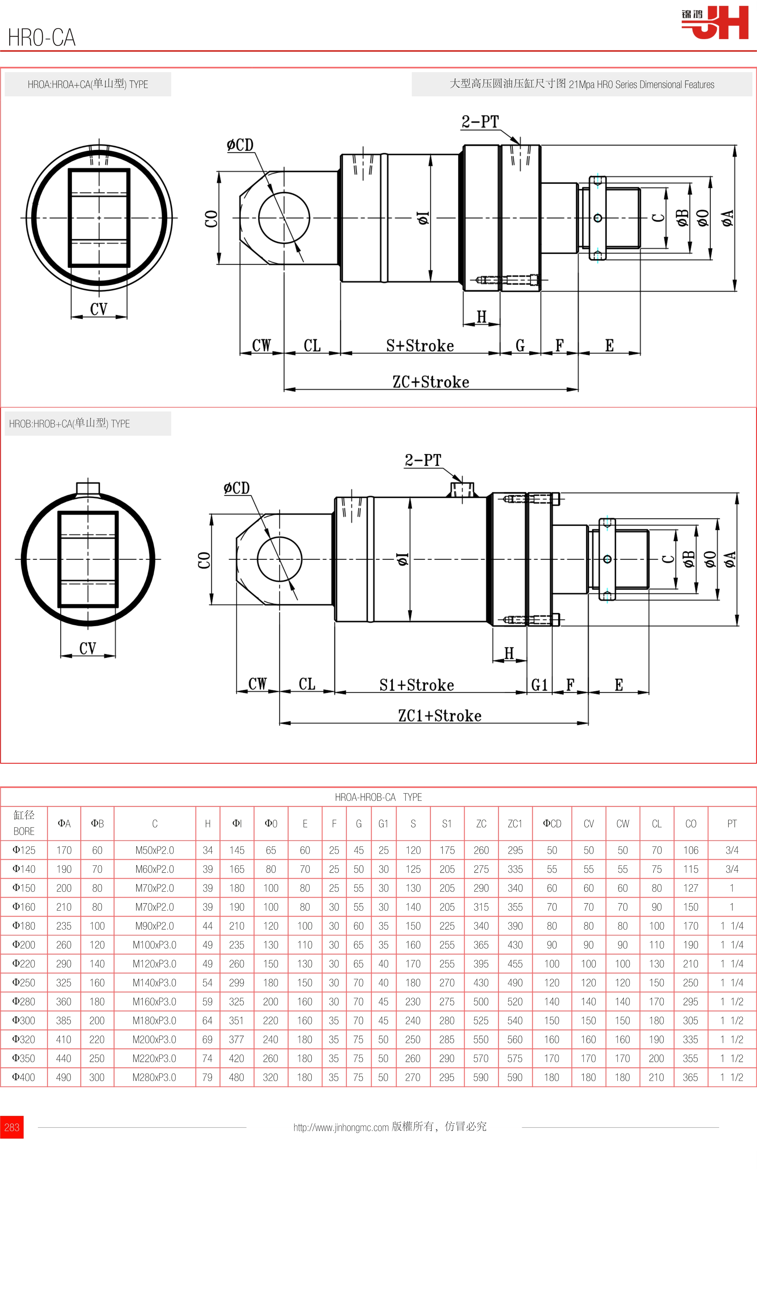
HR0-CA

HROA:HROA+CA(單山型) TYPE

大型高壓圓油壓缸尺寸圖 21Mpa HR0 Series Dimensional Features

HROB:HROB+CA(單山型) TYPE

HROA-HROB-CA   TYPE
缸徑
BORE
ΦAΦBCHΦIΦ0EFGG1SS1ZCZC1ΦCDCVCWCLCOPT
Φ12517060M50xP2.0341456560254525120175260295505050701063/4
Φ14019070M60xP2.0391658070255030125205275335555555751153/4
Φ15020080M70xP2.03918010080255530130205290340606060801271
Φ16021080M70xP2.03919010080305530140205315355707070901501
Φ180235100M90xP2.0442101201003060351502253403908080801001701  1/4
Φ200260120M100xP3.0492351301103065351602553654309090901101901  1/4
Φ220290140M120xP3.0492601501303065401702553954551001001001302101  1/4
Φ250325160M140xP3.0542991801503070401802704304901201201201502501  1/4
Φ280360180M160xP3.0593252001603070452302755005201401401401702951  1/2
Φ300385200M180xP3.0643512201603570452402805255401501501501803051  1/2
Φ320410220M200xP3.0693772401803575502502855505601601601601903351  1/2
Φ350440250M220xP3.0744202601803575502602905705751701701702003551  1/2
Φ400490300M280xP3.0794803201803575502702955905901801801802103651  1/2

歡迎咨詢hr0-ca 產品相關問題, 咨詢電話 ? 0769-87330001轉8802,或咨詢在線客服 (工作日:8:30-18:00)。

訂購:hr0-ca

跟此產品相關的產品