歡迎來到 東莞市錦鴻塑膠五金模具配件有限公司 網站!

模具配件 VODA

中國地區服務熱線:

180 3348 3551

電話:0769-87330001轉8802

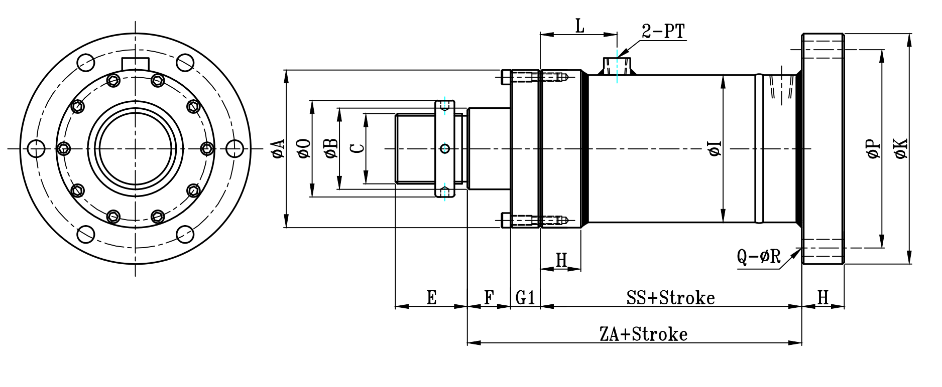
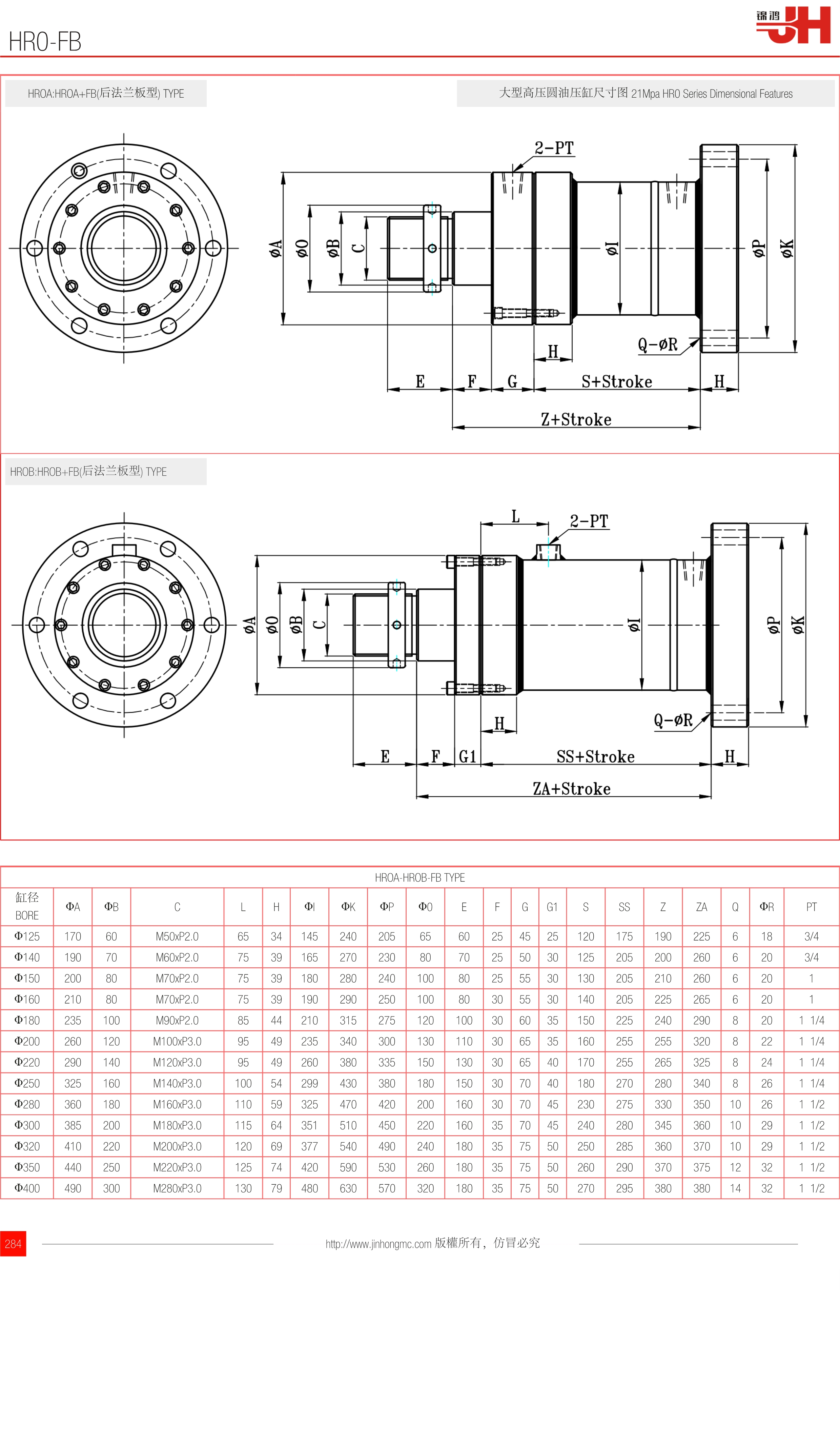
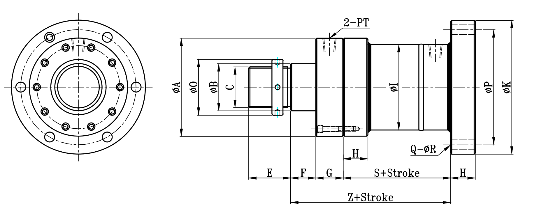
hr0-fb
您的位置:首頁 > 模具配件 > 油缸系列
型號: hr0-fb -[待選參數]

HR0-FB

HROA:HROA+FB(后法蘭板型) TYPE

大型高壓圓油壓缸尺寸圖 21Mpa HR0 Series Dimensional Features

HROB:HROB+FB(后法蘭板型) TYPE

HROA-HROB-FB TYPE
缸徑
BORE
ΦAΦBCLHΦIΦKΦPΦ0EFGG1SSSZZAQΦRPT
Φ12517060M50xP2.0653414524020565602545251201751902256183/4
Φ14019070M60xP2.0753916527023080702550301252052002606203/4
Φ15020080M70xP2.07539180280240100802555301302052102606201
Φ16021080M70xP2.07539190290250100803055301402052252656201
Φ180235100M90xP2.085442103152751201003060351502252402908201  1/4
Φ200260120M100xP3.095492353403001301103065351602552553208221  1/4
Φ220290140M120xP3.095492603803351501303065401702552653258241  1/4
Φ250325160M140xP3.0100542994303801801503070401802702803408261  1/4
Φ280360180M160xP3.01105932547042020016030704523027533035010261  1/2
Φ300385200M180xP3.01156435151045022016035704524028034536010291  1/2
Φ320410220M200xP3.01206937754049024018035755025028536037010291  1/2
Φ350440250M220xP3.01257442059053026018035755026029037037512321  1/2
Φ400490300M280xP3.01307948063057032018035755027029538038014321  1/2

歡迎咨詢hr0-fb 產品相關問題, 咨詢電話 ? 0769-87330001轉8802,或咨詢在線客服 (工作日:8:30-18:00)。

訂購:hr0-fb

跟此產品相關的產品