
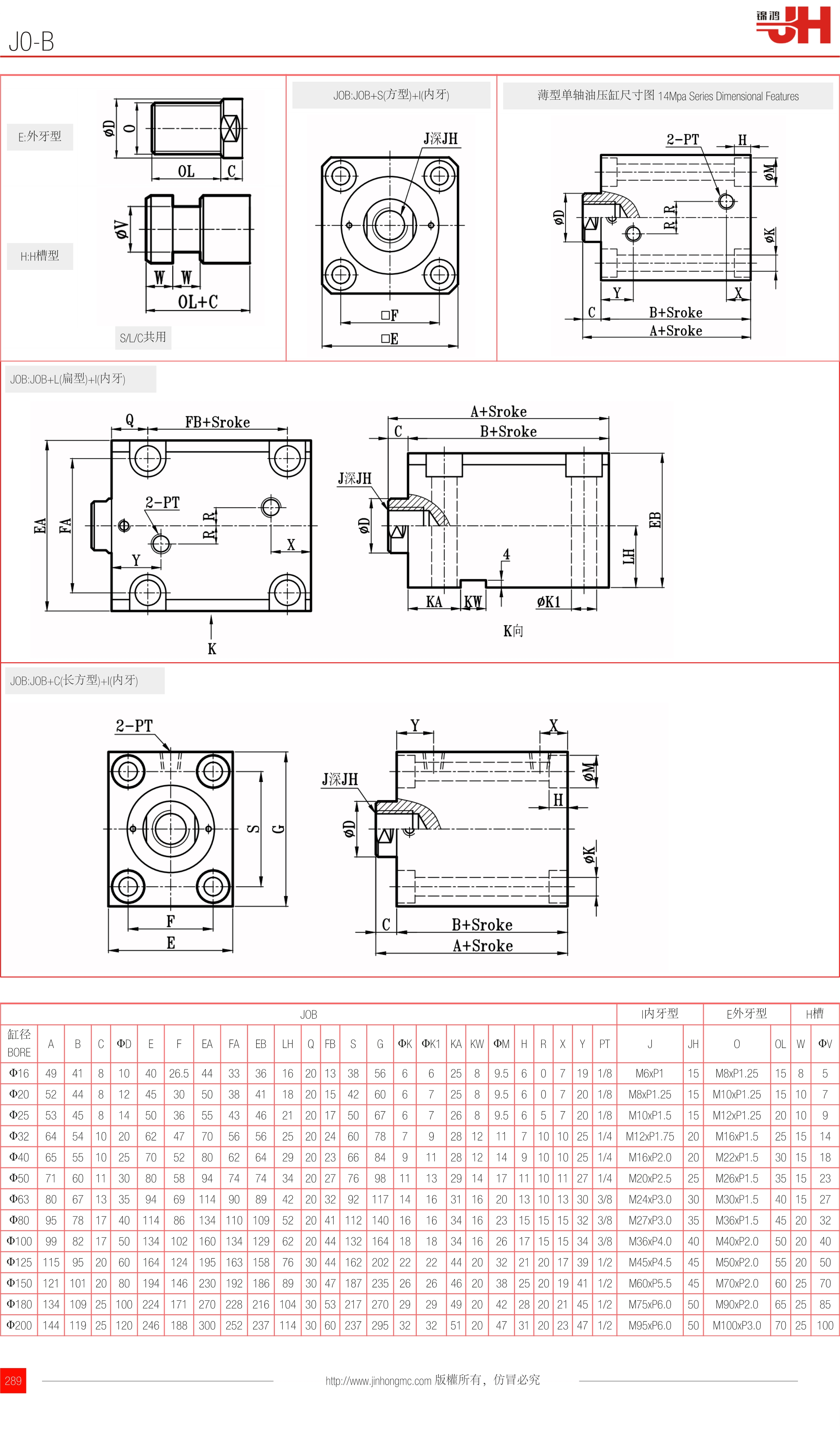
|
|
| ||||||||||
JOB:JOB+L(扁型)+I(內牙)

JOB:JOB+C(長方型)+I(內牙)

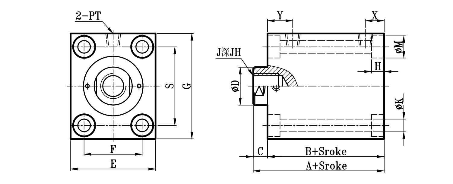
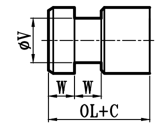
| JOB | I內牙型 | E外牙型 | H槽 | |||||||||||||||||||||||||||
| 缸徑 BORE | A | B | C | ΦD | E | F | EA | FA | EB | LH | Q | FB | S | G | ΦK | ΦK1 | KA | KW | ΦM | H | R | X | Y | PT | J | JH | O | OL | W | ΦV |
| Φ16 | 49 | 41 | 8 | 10 | 40 | 26.5 | 44 | 33 | 36 | 16 | 20 | 13 | 38 | 56 | 6 | 6 | 25 | 8 | 9.5 | 6 | 0 | 7 | 19 | 1/8 | M6xP1 | 15 | M8xP1.25 | 15 | 8 | 5 |
| Φ20 | 52 | 44 | 8 | 12 | 45 | 30 | 50 | 38 | 41 | 18 | 20 | 15 | 42 | 60 | 6 | 7 | 25 | 8 | 9.5 | 6 | 0 | 7 | 20 | 1/8 | M8xP1.25 | 15 | M10xP1.25 | 15 | 10 | 7 |
| Φ25 | 53 | 45 | 8 | 14 | 50 | 36 | 55 | 43 | 46 | 21 | 20 | 17 | 50 | 67 | 6 | 7 | 26 | 8 | 9.5 | 6 | 5 | 7 | 20 | 1/8 | M10xP1.5 | 15 | M12xP1.25 | 20 | 10 | 9 |
| Φ32 | 64 | 54 | 10 | 20 | 62 | 47 | 70 | 56 | 56 | 25 | 20 | 24 | 60 | 78 | 7 | 9 | 28 | 12 | 11 | 7 | 10 | 10 | 25 | 1/4 | M12xP1.75 | 20 | M16xP1.5 | 25 | 15 | 14 |
| Φ40 | 65 | 55 | 10 | 25 | 70 | 52 | 80 | 62 | 64 | 29 | 20 | 23 | 66 | 84 | 9 | 11 | 28 | 12 | 14 | 9 | 10 | 10 | 25 | 1/4 | M16xP2.0 | 20 | M22xP1.5 | 30 | 15 | 18 |
| Φ50 | 71 | 60 | 11 | 30 | 80 | 58 | 94 | 74 | 74 | 34 | 20 | 27 | 76 | 98 | 11 | 13 | 29 | 14 | 17 | 11 | 10 | 11 | 27 | 1/4 | M20xP2.5 | 25 | M26xP1.5 | 35 | 15 | 23 |
| Φ63 | 80 | 67 | 13 | 35 | 94 | 69 | 114 | 90 | 89 | 42 | 20 | 32 | 92 | 117 | 14 | 16 | 31 | 16 | 20 | 13 | 10 | 13 | 30 | 3/8 | M24xP3.0 | 30 | M30xP1.5 | 40 | 15 | 27 |
| Φ80 | 95 | 78 | 17 | 40 | 114 | 86 | 134 | 110 | 109 | 52 | 20 | 41 | 112 | 140 | 16 | 16 | 34 | 16 | 23 | 15 | 15 | 15 | 32 | 3/8 | M27xP3.0 | 35 | M36xP1.5 | 45 | 20 | 32 |
| Φ100 | 99 | 82 | 17 | 50 | 134 | 102 | 160 | 134 | 129 | 62 | 20 | 44 | 132 | 164 | 18 | 18 | 34 | 16 | 26 | 17 | 15 | 15 | 34 | 3/8 | M36xP4.0 | 40 | M40xP2.0 | 50 | 20 | 40 |
| Φ125 | 115 | 95 | 20 | 60 | 164 | 124 | 195 | 163 | 158 | 76 | 30 | 44 | 162 | 202 | 22 | 22 | 44 | 20 | 32 | 21 | 20 | 17 | 39 | 1/2 | M45xP4.5 | 45 | M50xP2.0 | 55 | 20 | 50 |
| Φ150 | 121 | 101 | 20 | 80 | 194 | 146 | 230 | 192 | 186 | 89 | 30 | 47 | 187 | 235 | 26 | 26 | 46 | 20 | 38 | 25 | 20 | 19 | 41 | 1/2 | M60xP5.5 | 45 | M70xP2.0 | 60 | 25 | 70 |
| Φ180 | 134 | 109 | 25 | 100 | 224 | 171 | 270 | 228 | 216 | 104 | 30 | 53 | 217 | 270 | 29 | 29 | 49 | 20 | 42 | 28 | 20 | 21 | 45 | 1/2 | M75xP6.0 | 50 | M90xP2.0 | 65 | 25 | 85 |
| Φ200 | 144 | 119 | 25 | 120 | 246 | 188 | 300 | 252 | 237 | 114 | 30 | 60 | 237 | 295 | 32 | 32 | 51 | 20 | 47 | 31 | 20 | 23 | 47 | 1/2 | M95xP6.0 | 50 | M100xP3.0 | 70 | 25 | 100 |
訂購:j0-b