歡迎來到 東莞市錦鴻塑膠五金模具配件有限公司 網站!

模具配件 VODA

中國地區服務熱線:

180 3348 3551

電話:0769-87330001轉8802

ja-b
您的位置:首頁 > 模具配件 > 油缸系列
型號: ja-b -[待選參數]

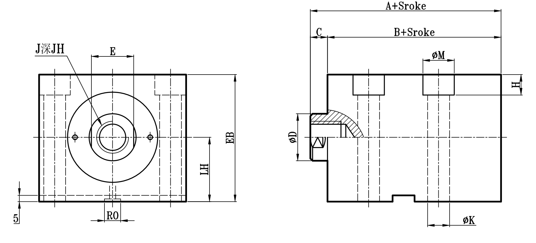
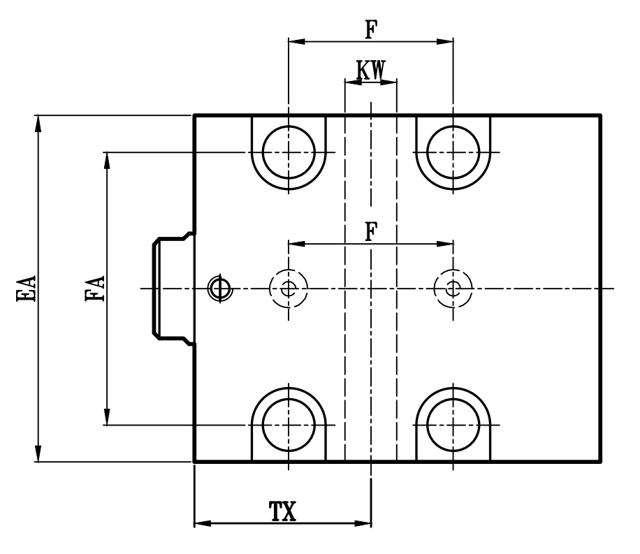
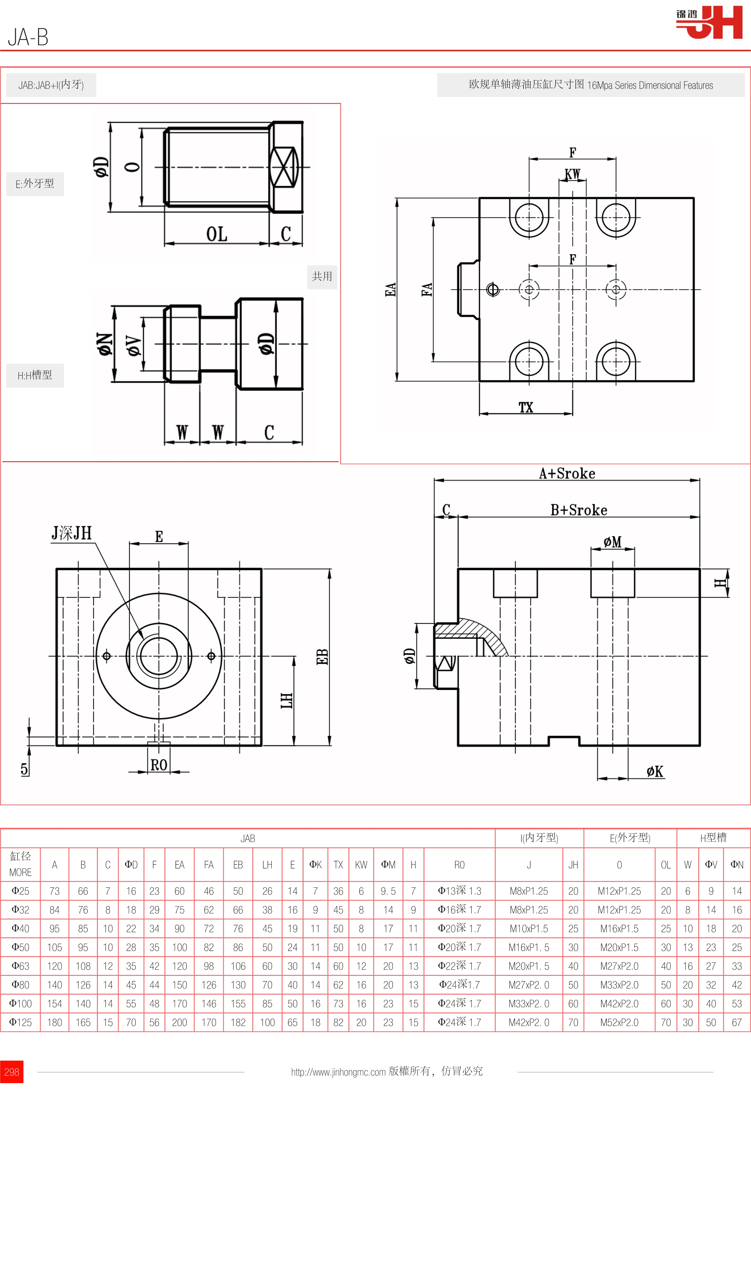
JA-B

JAB:JAB+I(內牙)

歐規單軸薄油壓缸尺寸圖 16Mpa Series Dimensional Features

E:外牙型


共用

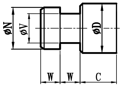
H:H槽型

JABI(內牙型)E(外牙型)H型槽
缸徑
MORE
ABCΦDFEAFAEBLHEΦKTXKWΦMHR0JJH0OLWΦVΦN
Φ25736671623604650261473669. 57Φ13深 1.3M8xP1.2520M12xP1.25206914
Φ3284768182975626638169458149Φ16深 1.7M8xP1.2520M12xP1.252081416
Φ4095851022349072764519115081711Φ20深 1.7M10xP1.525M16xP1.525101820
Φ5010595102835100828650241150101711Φ20深 1.7M16xP1. 530M20xP1.530132325
Φ631201081235421209810660301460122013Φ22深 1.7M20xP1. 540M27xP2.040162733
Φ8014012614454415012613070401462162013Φ24深1.7M27xP2. 050M33xP2.050203242
Φ10015414014554817014615585501673162315Φ24深 1.7M33xP2. 060M42xP2.060304053
Φ125180165157056200170182100651882202315Φ24深 1.7M42xP2. 070M52xP2.070305067

歡迎咨詢ja-b 產品相關問題, 咨詢電話 ? 0769-87330001轉8802,或咨詢在線客服 (工作日:8:30-18:00)。

訂購:ja-b

跟此產品相關的產品