歡迎來到 東莞市錦鴻塑膠五金模具配件有限公司 網站!

模具配件 VODA

中國地區服務熱線:

180 3348 3551

電話:0769-87330001轉8802

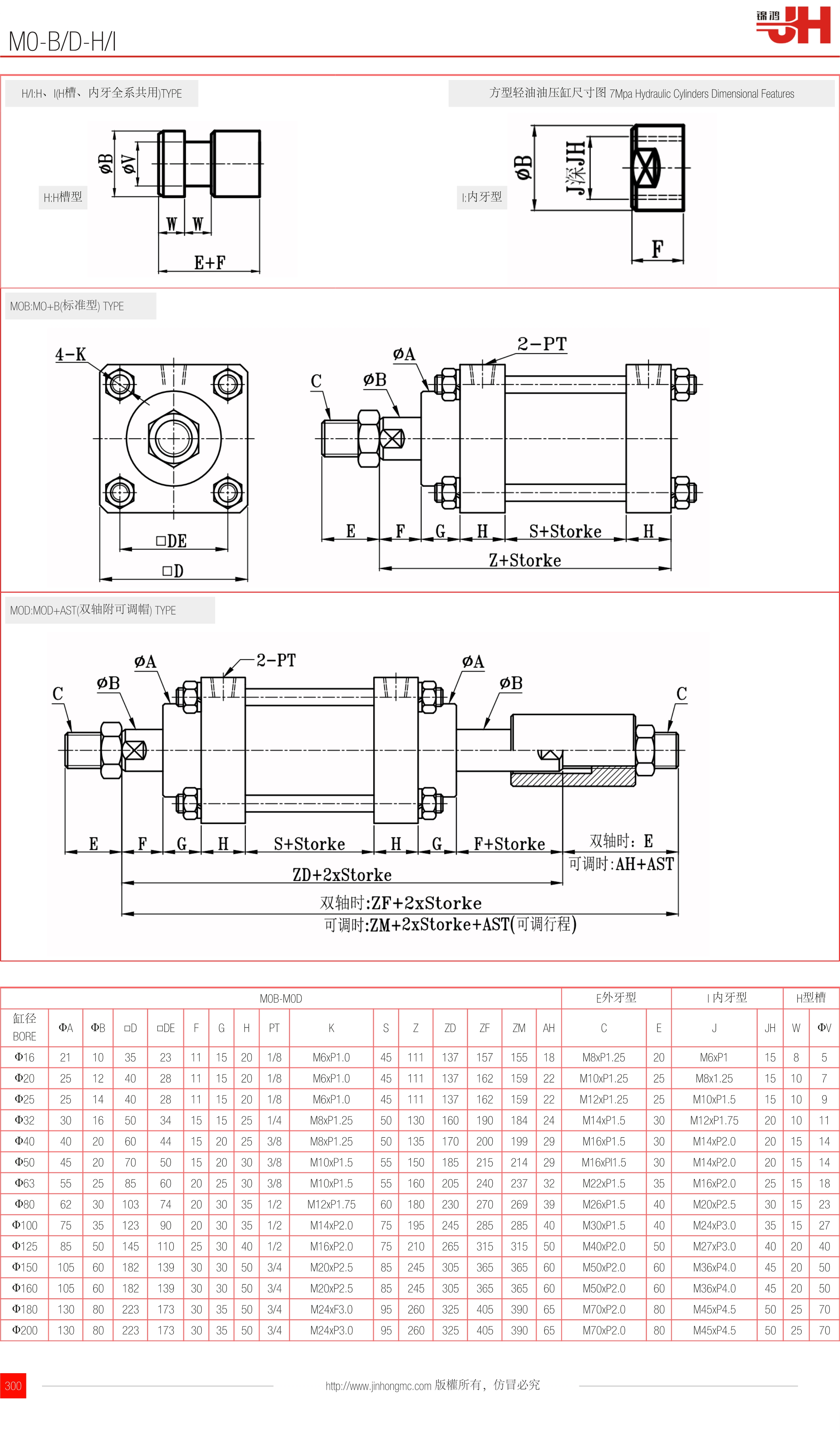
m0-bd-hi
您的位置:首頁 > 模具配件 > 油缸系列
型號: m0-bd-hi -[待選參數]

M0-B/D-H/I

H/I:H、I(H槽、內牙全系共用)TYPE

方型輕油油壓缸尺寸圖 7Mpa Hydraulic Cylinders Dimensional Features

H:H槽型I:內牙型

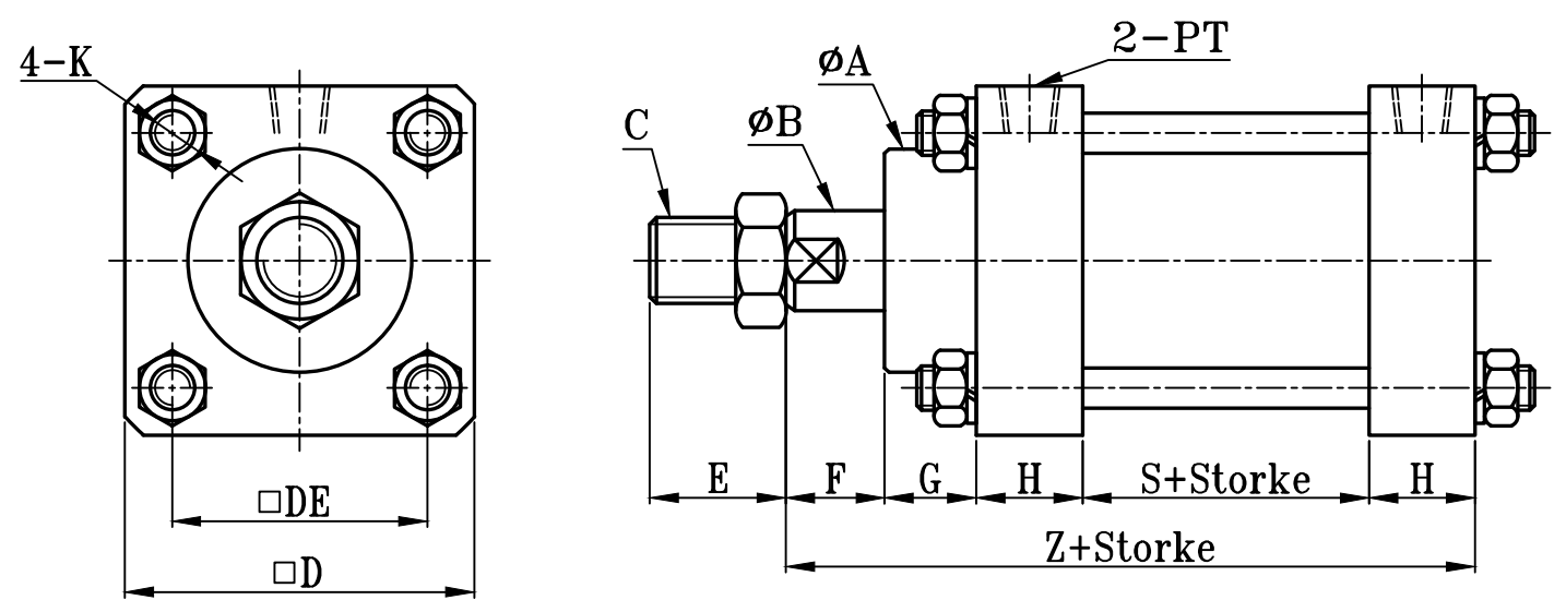
MOB:MO+B(標準型) TYPE

MOD:MOD+AST(雙軸附可調帽) TYPE

M0B-M0DE外牙型I 內牙型H型槽
缸徑
BORE
ΦAΦB□D□DEFGHPTKSZZDZFZMAHCEJJHWΦV
Φ16211035231115201/8M6xP1.04511113715715518M8xP1.2520M6xP11585
Φ20251240281115201/8M6xP1.04511113716215922M10xP1.2525M8x1.2515107
Φ25251440281115201/8M6xP1.04511113716215922M12xP1.2525M10xP1.515109
Φ32301650341515251/4M8xP1.255013016019018424M14xP1.530M12xP1.75201011
Φ40402060441520253/8M8xP1.255013517020019929M16xP1.530M14xP2.0201514
Φ50452070501520303/8M10xP1.55515018521521429M16xPl1.530M14xP2.0201514
Φ63552585602025303/8M10xP1.55516020524023732M22xP1.535M16xP2.0251518
Φ806230103742030351/2M12xP1.756018023027026939M26xP1.540M20xP2.5301523
Φ1007535123902030351/2M14xP2.07519524528528540M30xP1.540M24xP3.0351527
Φ12585501451102530401/2M16xP2.07521026531531550M40xP2.050M27xP3.0402040
Φ150105601821393030503/4M20xP2.58524530536536560M50xP2.060M36xP4.0452050
Φ160105601821393030503/4M20xP2.58524530536536560M50xP2.060M36xP4.0452050
Φ180130802231733035503/4M24xF3.09526032540539065M70xP2.080M45xP4.5502570
Φ200130802231733035503/4M24xP3.09526032540539065M70xP2.080M45xP4.5502570

歡迎咨詢m0-bd-hi 產品相關問題, 咨詢電話 ? 0769-87330001轉8802,或咨詢在線客服 (工作日:8:30-18:00)。

訂購:m0-bd-hi

跟此產品相關的產品