歡迎來到 東莞市錦鴻塑膠五金模具配件有限公司 網站!

模具配件 VODA

中國地區服務熱線:

180 3348 3551

電話:0769-87330001轉8802

型號: p56 -[待選參數]

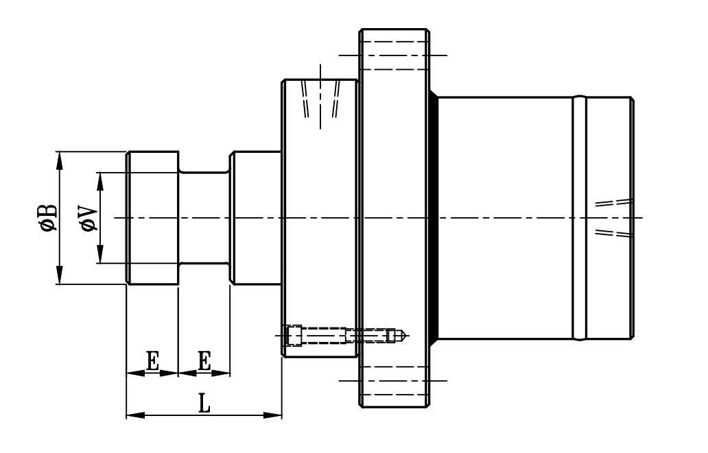
充液閥-H槽

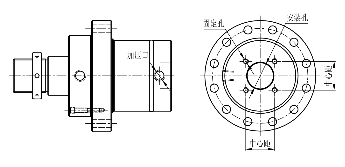
充液閥:安裝示意圖

充液閥安裝示意圖 客戶需提供充液閥安裝尺寸

SL1-方式一
SL2-方式二

H槽全系共用


H槽 TYPE
缸徑
BORE
ΦBΦVLW
Φ12560508520
Φ14070609520
Φ150807010525
Φ160807010525
Φ1801008513025
Φ20012010014025
Φ22014012016030
Φ25016014018030
Φ28018015019035
Φ30020017019535
Φ32022019021540
Φ35025021021545
Φ40030026021550

歡迎咨詢p56-充液閥-H槽 產品相關問題, 咨詢電話 ? 0769-87330001轉8802,或咨詢在線客服 (工作日:8:30-18:00)。

訂購:p56-充液閥-H槽

跟此產品相關的產品