歡迎來到 東莞市錦鴻塑膠五金模具配件有限公司 網站!

模具配件 VODA

中國地區服務熱線:

180 3348 3551

電話:0769-87330001轉8802

型號: p63 -[待選參數]

油壓缸軸牙通用配件:U、T、TW

油缸系列通用配件尺寸圖 Accessories fot Hydraulic Series Cylinders

U: (焊套接頭)TYPE


型號ΦUAUZUEUC
HU010203015M10xP1.25
HU012253015M12xP1.25
HU014304020M14xP1.5
HU016304020M16xP1.5
HU022404525M22xP1.5
HU026455030M26xP1.5
HU030555535M30xP1.5
HU036605535M36xP1.5
HU040655535M40xP2
HU050756545M50xP2
HU070808560M70xP2
HU09010011590M90xP2
HU010012011590M100xP3

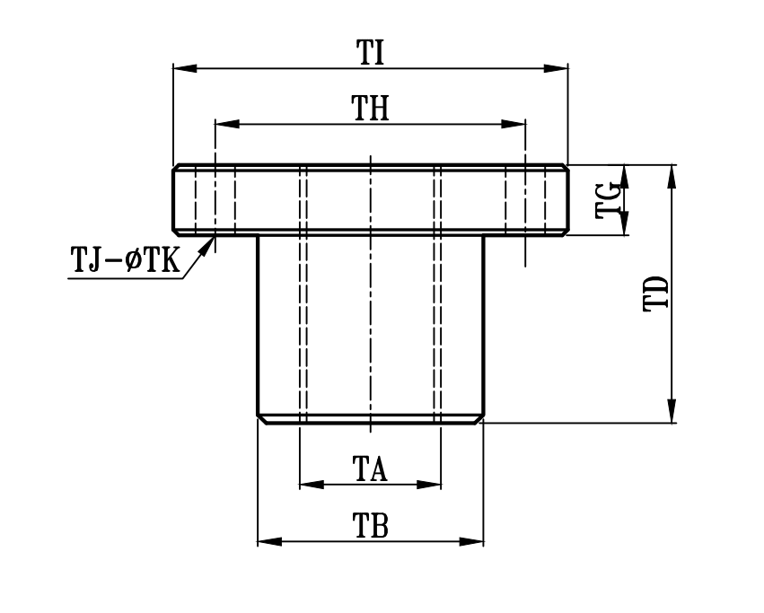
T: (T型接頭)TYPE


型號TITHTGTDTBTATJΦTK
HT0105538101520M10xP1.2547
HT0126048101525M12xP1.2547
HT0147553122030M14xP1.549
HT0167553122030M16xP1.549
HT0229065162540M22xP1.5411
HT02611078163045M26xP1.5413
HT03013093183555M30xP1.5415
HT03613093183555M36xP1.5415
HT040140103203565M40xP2615
HT050150113254575M50xP2617
HT0701901463060100M70xP2620
HT0902201714090120M90xP2622
HT01002401915090140M100xP3822

TW: (半月套)TYPE


型號ΦWAΦWBΦWCΦWDWEWZNQ
TW12712356010204M6
TW14914356010204M6
TW161116406510204M8
TW201420457015304M8
TW251825508015304M10
TW302330609015304M12
TW352735659515304M12
TW4032407010520404M14
TW5040508011520406M14
TW6050609513020406M16
TW80708012016025506M18
TW1008510014519025506M20
TW12010012016521025506M20
TW14012014018523030608M20
TW16014016020525030608M20
TW18015018023028035708M22
TW20017020025030035708M22

歡迎咨詢p63-油壓缸軸牙通用配件:U、T、TW 產品相關問題, 咨詢電話 ? 0769-87330001轉8802,或咨詢在線客服 (工作日:8:30-18:00)。

訂購:p63-油壓缸軸牙通用配件:U、T、TW

跟此產品相關的產品