歡迎來到 東莞市錦鴻塑膠五金模具配件有限公司 網站!

模具配件 VODA

中國地區服務熱線:

180 3348 3551

電話:0769-87330001轉8802

r0-bd-hi
您的位置:首頁 > 模具配件 > 油缸系列
型號: r0-bd-hi -[待選參數]

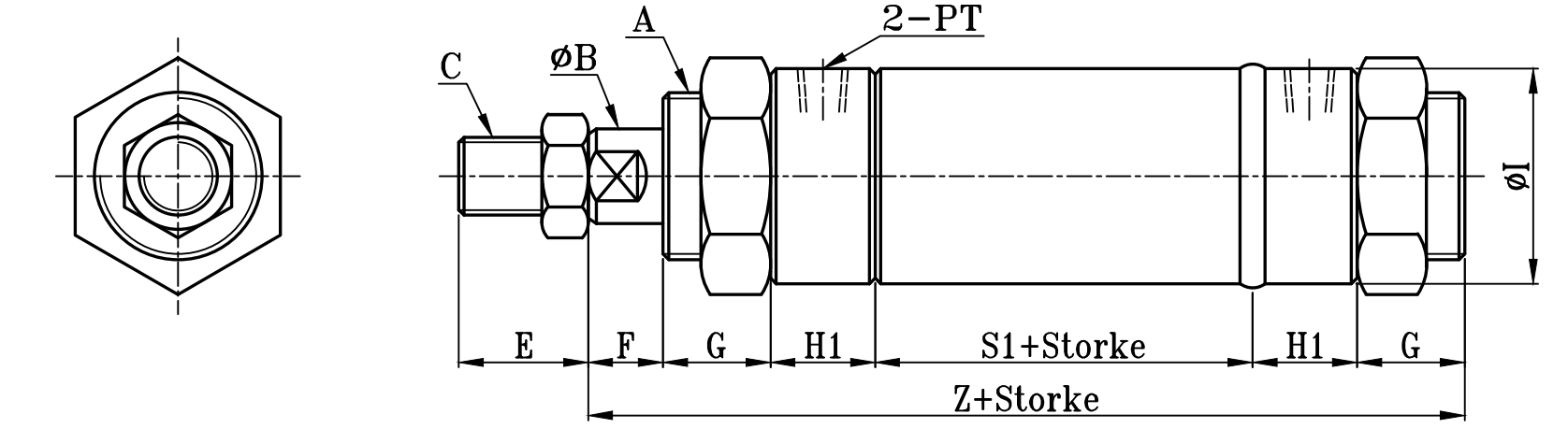
R0-B/D-H/I

H/I:H、I(H槽、內牙全系共用)TYPE

圓型中型油壓缸尺寸圖 14Mpa R0 Series Dimensional Features

H:H槽型I:內牙型

ROB:RO+B(后蓋焊接式) TYPE

ROD:ROD+AST(雙軸型附可調帽) TYPE

注:感應油缸時,不論是單軸還是雙軸缸,缸筒長度的選擇均為雙軸缸的缸筒長度

ROB-ROD TYPEE外牙型I內牙型H型槽
缸徑
BORE
AΦBFGH1HΦIPTS1SZZDZFZMAHCEJJHWΦV
Φ32M30xP1.51615252550421/4608017521024023828M14xP1.530M12xP1.75201011
Φ40M40xP2.02015252550503/8608017521024023929M16xP1.530M14xP2.0201514
Φ50M50xP2.02520303060603/8719521125529529439M22xP1.540M16xP2.0251518
Φ63M60xP2.03520303060733/8719521125529529540M30xP1.540M24xP3.0301527
Φ80M70xP2.04025353570921/28311024830034534848M30xP1.545M27xP3.0352032
Φ100M90xP2.050253535701141/29312025831036036050M40xP2.050M36xP4.0402040
Φ125M120xP2.560304040801403/49813028835041041060M50xP2.060M45xP4.5452050
Φ140M140xP2.570304040801603/49813028835042041060M60xP2.070M48xP5.0452060
Φ150M150xP3.080304545901683/411315032339047045565M70xP2.080M60xP5.5452570
Φ160M160xP3.080304545901783/411315032339047045565M70xP2.080M60xP5.5452570
Φ180M180xP3.0100355050100200113017036544054050565M90xP2.0100M75xP6.0502585
Φ200M200xP3.0100355050100228113017036544054050565M90xP2.0100M75xP6.0502585
Φ220M220xP3.01253555551102501 1/414719040248059055575M100xP3.0110M95xP6.05525105
Φ250M250xP3.01253555551102761 1/414719040248059055575M100xP3.0110M95xP6.05525105

歡迎咨詢r0-bd-hi 產品相關問題, 咨詢電話 ? 0769-87330001轉8802,或咨詢在線客服 (工作日:8:30-18:00)。

訂購:r0-bd-hi

跟此產品相關的產品