歡迎來到 東莞市錦鴻塑膠五金模具配件有限公司 網站!

模具配件 VODA

中國地區服務熱線:

180 3348 3551

電話:0769-87330001轉8802

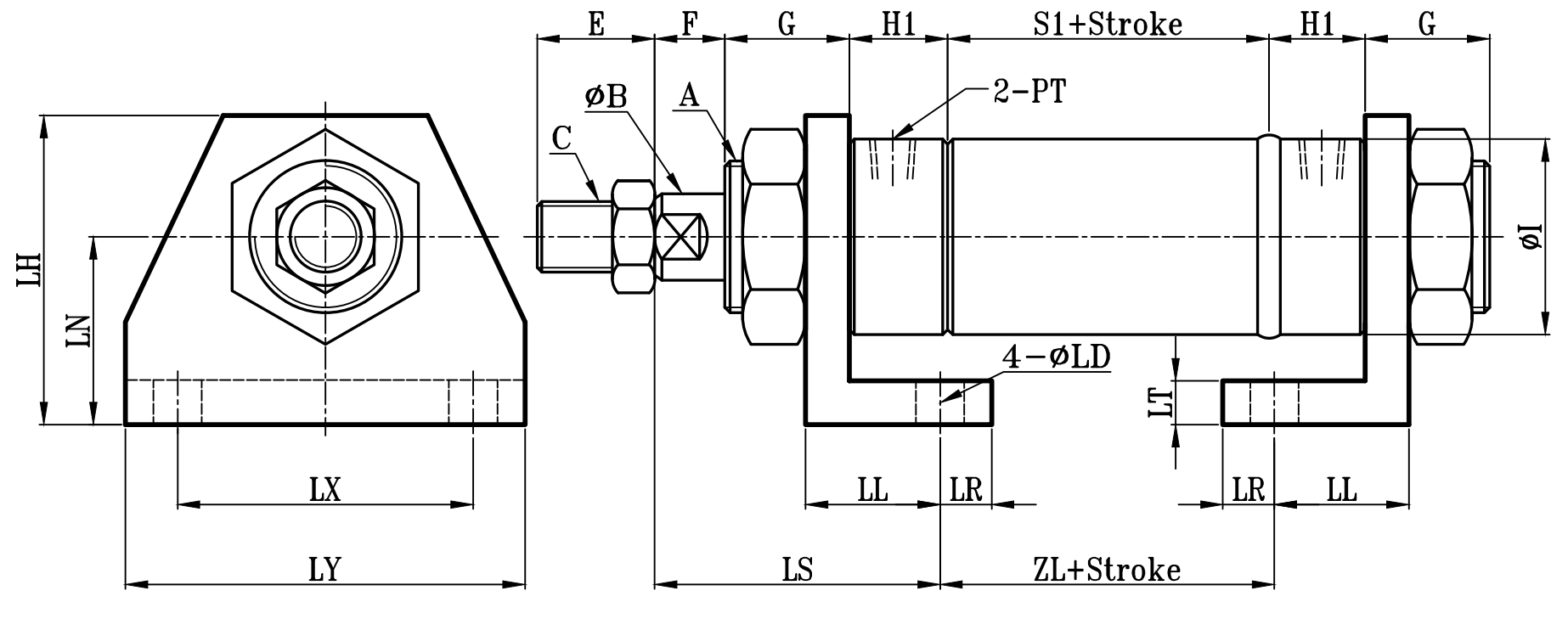
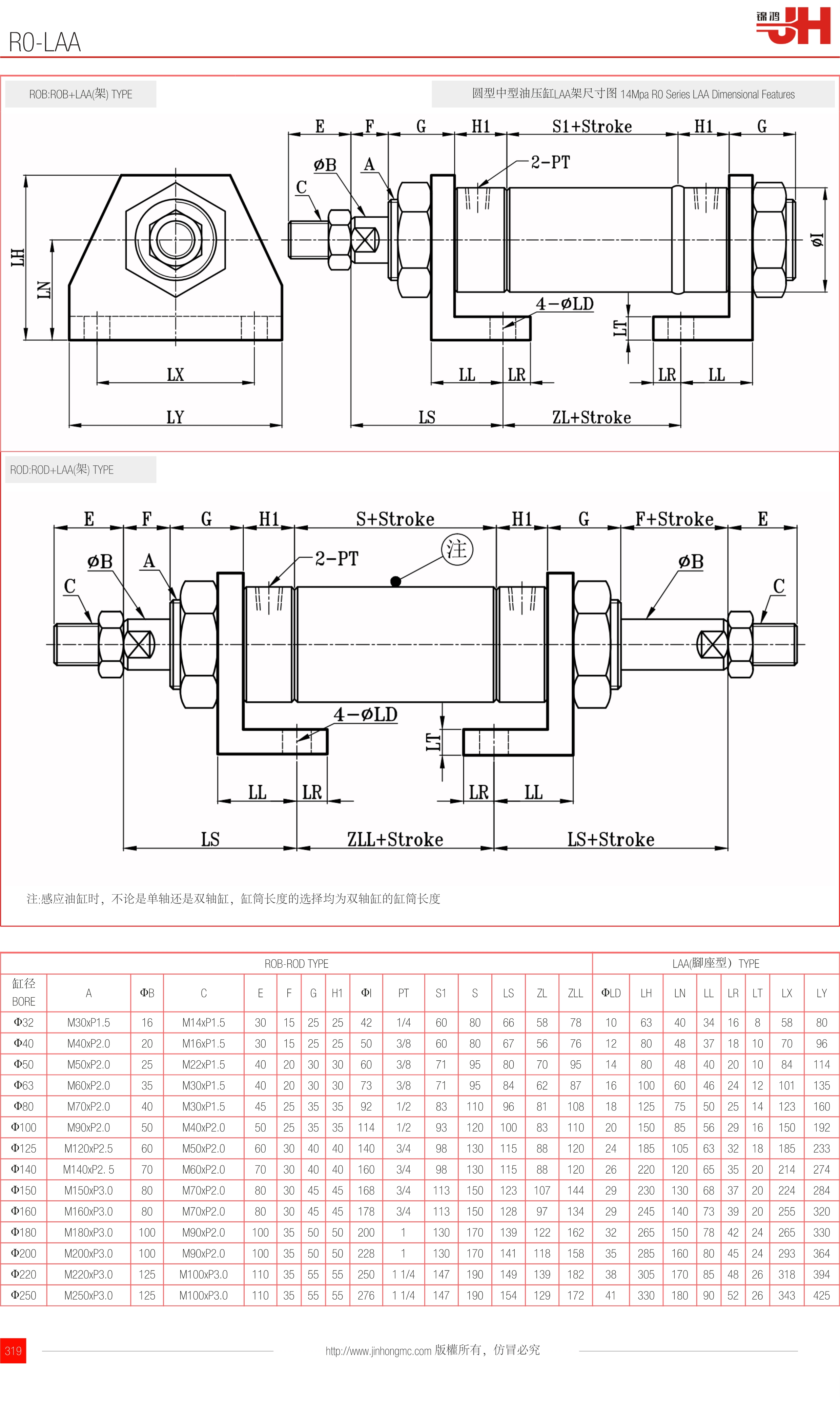
r0-laa
您的位置:首頁 > 模具配件 > 油缸系列
型號: r0-laa -[待選參數]

R0-LAA

ROB:ROB+LAA(架) TYPE

圓型中型油壓缸LAA架尺寸圖 14Mpa R0 Series LAA Dimensional Features

ROD:ROD+LAA(架) TYPE

注:感應油缸時,不論是單軸還是雙軸缸,缸筒長度的選擇均為雙軸缸的缸筒長度

ROB-ROD TYPELAA(腳座型)TYPE
缸徑
BORE
AΦBCEFGH1ΦIPTS1SLSZLZLLΦLDLHLNLLLRLTLXLY
Φ32M30xP1.516M14xP1.530152525421/46080665878106340341685880
Φ40M40xP2.020M16xP1.530152525503/860806756761280483718107096
Φ50M50xP2.025M22xP1.540203030603/8719580709514804840201084114
Φ63M60xP2.035M30xP1.540203030733/871958462871610060462412101135
Φ80M70xP2.040M30xP1.545253535921/28311096811081812575502514123160
Φ100M90xP2.050M40xP2.0502535351141/293120100831102015085562916150192
Φ125M120xP2.560M50xP2.0603040401403/4981301158812024185105633218185233
Φ140M140xP2. 570M60xP2.0703040401603/4981301158812026220120653520214274
Φ150M150xP3.080M70xP2.0803045451683/411315012310714429230130683720224284
Φ160M160xP3.080M70xP2.0803045451783/41131501289713429245140733920255320
Φ180M180xP3.0100M90xP2.0100355050200113017013912216232265150784224265330
Φ200M200xP3.0100M90xP2.0100355050228113017014111815835285160804524293364
Φ220M220xP3.0125M100xP3.01103555552501 1/414719014913918238305170854826318394
Φ250M250xP3.0125M100xP3.01103555552761 1/414719015412917241330180905226343425

歡迎咨詢r0-laa 產品相關問題, 咨詢電話 ? 0769-87330001轉8802,或咨詢在線客服 (工作日:8:30-18:00)。

訂購:r0-laa

跟此產品相關的產品