
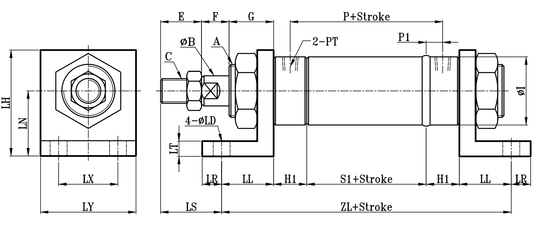
ROB:ROB+LB(架) TYPE | 圓型中型油壓缸LB架尺寸圖 14Mpa R0 Series LB Dimensional Features |
![]() | |
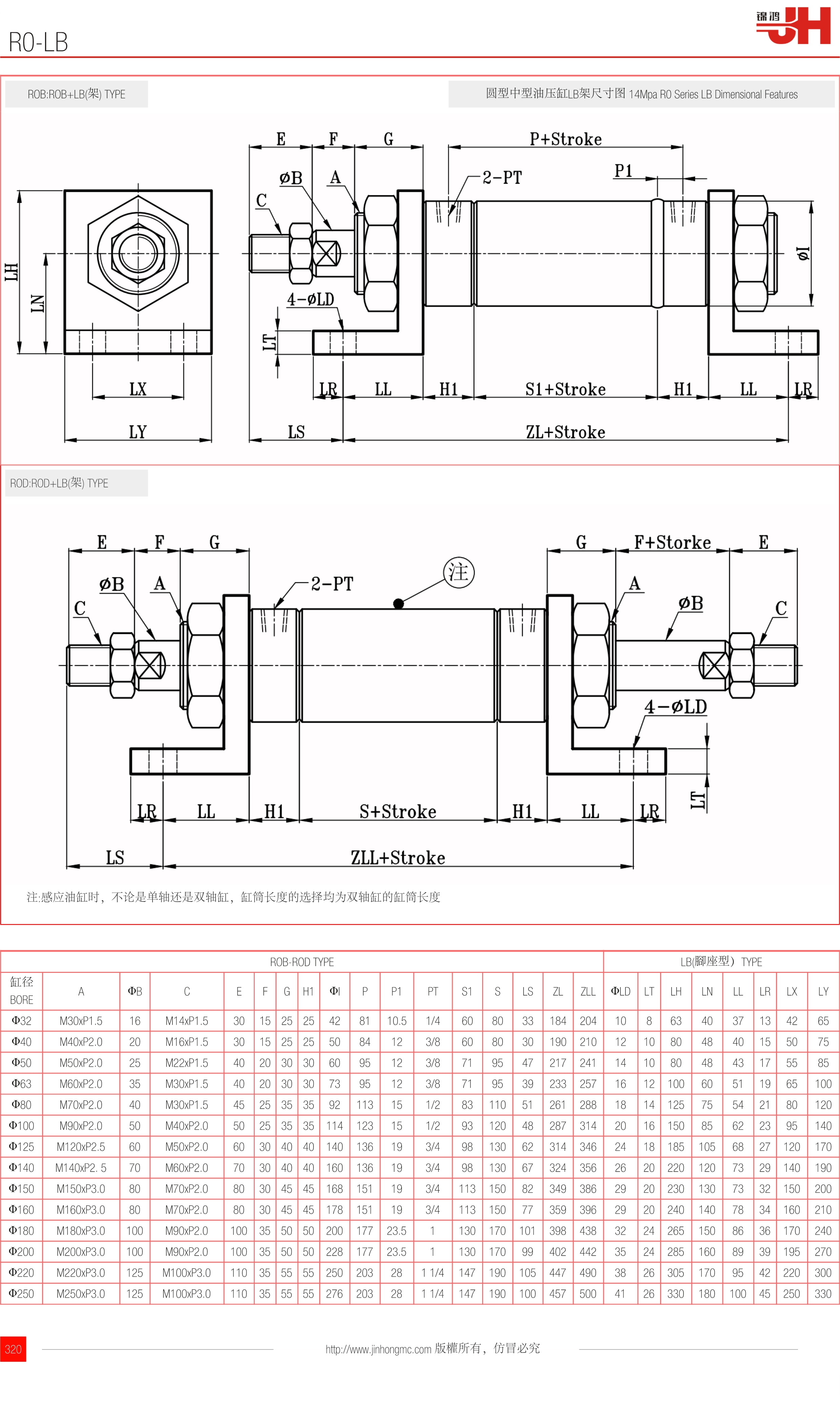
ROD:ROD+LB(架) TYPE

注:感應油缸時,不論是單軸還是雙軸缸,缸筒長度的選擇均為雙軸缸的缸筒長度
| ROB-ROD TYPE | LB(腳座型)TYPE | |||||||||||||||||||||||
| 缸徑 BORE | A | ΦB | C | E | F | G | H1 | ΦI | P | P1 | PT | S1 | S | LS | ZL | ZLL | ΦLD | LT | LH | LN | LL | LR | LX | LY |
| Φ32 | M30xP1.5 | 16 | M14xP1.5 | 30 | 15 | 25 | 25 | 42 | 81 | 10.5 | 1/4 | 60 | 80 | 33 | 184 | 204 | 10 | 8 | 63 | 40 | 37 | 13 | 42 | 65 |
| Φ40 | M40xP2.0 | 20 | M16xP1.5 | 30 | 15 | 25 | 25 | 50 | 84 | 12 | 3/8 | 60 | 80 | 30 | 190 | 210 | 12 | 10 | 80 | 48 | 40 | 15 | 50 | 75 |
| Φ50 | M50xP2.0 | 25 | M22xP1.5 | 40 | 20 | 30 | 30 | 60 | 95 | 12 | 3/8 | 71 | 95 | 47 | 217 | 241 | 14 | 10 | 80 | 48 | 43 | 17 | 55 | 85 |
| Φ63 | M60xP2.0 | 35 | M30xP1.5 | 40 | 20 | 30 | 30 | 73 | 95 | 12 | 3/8 | 71 | 95 | 39 | 233 | 257 | 16 | 12 | 100 | 60 | 51 | 19 | 65 | 100 |
| Φ80 | M70xP2.0 | 40 | M30xP1.5 | 45 | 25 | 35 | 35 | 92 | 113 | 15 | 1/2 | 83 | 110 | 51 | 261 | 288 | 18 | 14 | 125 | 75 | 54 | 21 | 80 | 120 |
| Φ100 | M90xP2.0 | 50 | M40xP2.0 | 50 | 25 | 35 | 35 | 114 | 123 | 15 | 1/2 | 93 | 120 | 48 | 287 | 314 | 20 | 16 | 150 | 85 | 62 | 23 | 95 | 140 |
| Φ125 | M120xP2.5 | 60 | M50xP2.0 | 60 | 30 | 40 | 40 | 140 | 136 | 19 | 3/4 | 98 | 130 | 62 | 314 | 346 | 24 | 18 | 185 | 105 | 68 | 27 | 120 | 170 |
| Φ140 | M140xP2. 5 | 70 | M60xP2.0 | 70 | 30 | 40 | 40 | 160 | 136 | 19 | 3/4 | 98 | 130 | 67 | 324 | 356 | 26 | 20 | 220 | 120 | 73 | 29 | 140 | 190 |
| Φ150 | M150xP3.0 | 80 | M70xP2.0 | 80 | 30 | 45 | 45 | 168 | 151 | 19 | 3/4 | 113 | 150 | 82 | 349 | 386 | 29 | 20 | 230 | 130 | 73 | 32 | 150 | 200 |
| Φ160 | M160xP3.0 | 80 | M70xP2.0 | 80 | 30 | 45 | 45 | 178 | 151 | 19 | 3/4 | 113 | 150 | 77 | 359 | 396 | 29 | 20 | 240 | 140 | 78 | 34 | 160 | 210 |
| Φ180 | M180xP3.0 | 100 | M90xP2.0 | 100 | 35 | 50 | 50 | 200 | 177 | 23.5 | 1 | 130 | 170 | 101 | 398 | 438 | 32 | 24 | 265 | 150 | 86 | 36 | 170 | 240 |
| Φ200 | M200xP3.0 | 100 | M90xP2.0 | 100 | 35 | 50 | 50 | 228 | 177 | 23.5 | 1 | 130 | 170 | 99 | 402 | 442 | 35 | 24 | 285 | 160 | 89 | 39 | 195 | 270 |
| Φ220 | M220xP3.0 | 125 | M100xP3.0 | 110 | 35 | 55 | 55 | 250 | 203 | 28 | 1 1/4 | 147 | 190 | 105 | 447 | 490 | 38 | 26 | 305 | 170 | 95 | 42 | 220 | 300 |
| Φ250 | M250xP3.0 | 125 | M100xP3.0 | 110 | 35 | 55 | 55 | 276 | 203 | 28 | 1 1/4 | 147 | 190 | 100 | 457 | 500 | 41 | 26 | 330 | 180 | 100 | 45 | 250 | 330 |
訂購:r0-lb