歡迎來到 東莞市錦鴻塑膠五金模具配件有限公司 網站!

模具配件 VODA

中國地區服務熱線:

180 3348 3551

電話:0769-87330001轉8802

s0-ca-cb
您的位置:首頁 > 模具配件 > 油缸系列
型號: s0-ca-cb -[待選參數]

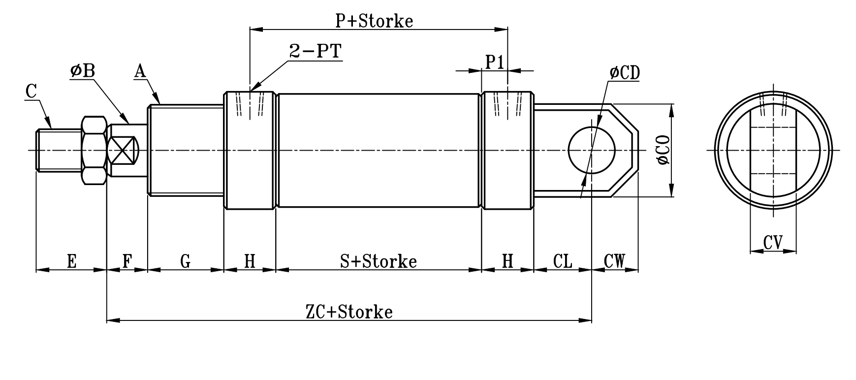
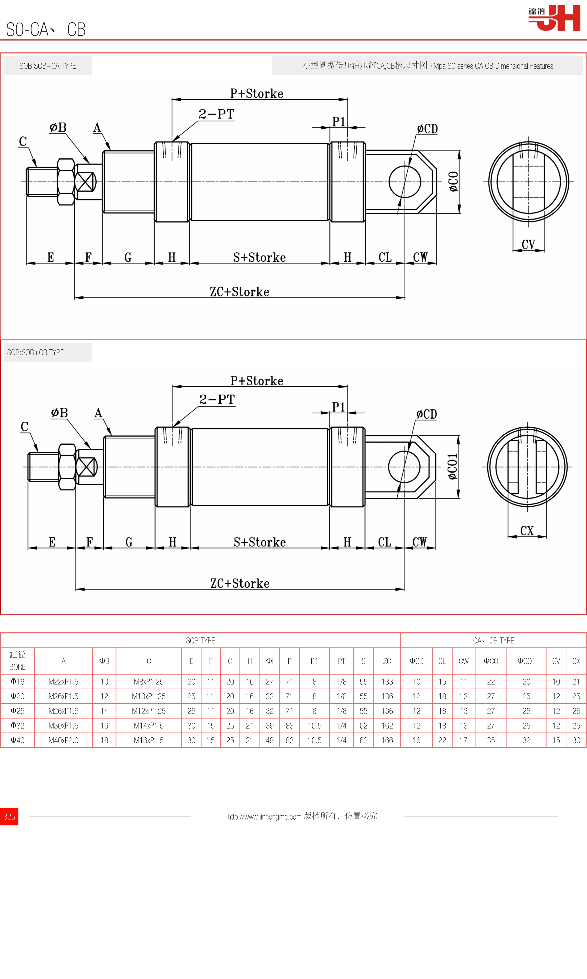
S0-CA、CB

SOB:SOB+CA TYPE

小型圓型低壓油壓缸CA,CB板尺寸圖 7Mpa S0 series CA,CB Dimensional Features

SOB:SOB+CB TYPE

SOB TYPECA、CB TYPE
缸徑
BORE
AΦBCEFGHΦIPP1PTSZCΦCDCLCWΦCOΦCO1CVCX
Φ16M22xP1.510M8xP1.2520112016277181/85513310151122201021
Φ20M26xP1.512M10xP1.2525112016327181/85513612181327251225
Φ25M26xP1.514M12xP1.2525112016327181/85513612181327251225
Φ32M30xP1.516M14xP1.530152521398310.51/46216212181327251225
Φ40M40xP2.018M16xP1.530152521498310.51/46216616221735321530

歡迎咨詢s0-ca-cb 產品相關問題, 咨詢電話 ? 0769-87330001轉8802,或咨詢在線客服 (工作日:8:30-18:00)。

訂購:s0-ca-cb

跟此產品相關的產品