歡迎來到 東莞市錦鴻塑膠五金模具配件有限公司 網站!

模具配件 VODA

中國地區服務熱線:

180 3348 3551

電話:0769-87330001轉8802

s0-fa
您的位置:首頁 > 模具配件 > 油缸系列
型號: s0-fa -[待選參數]

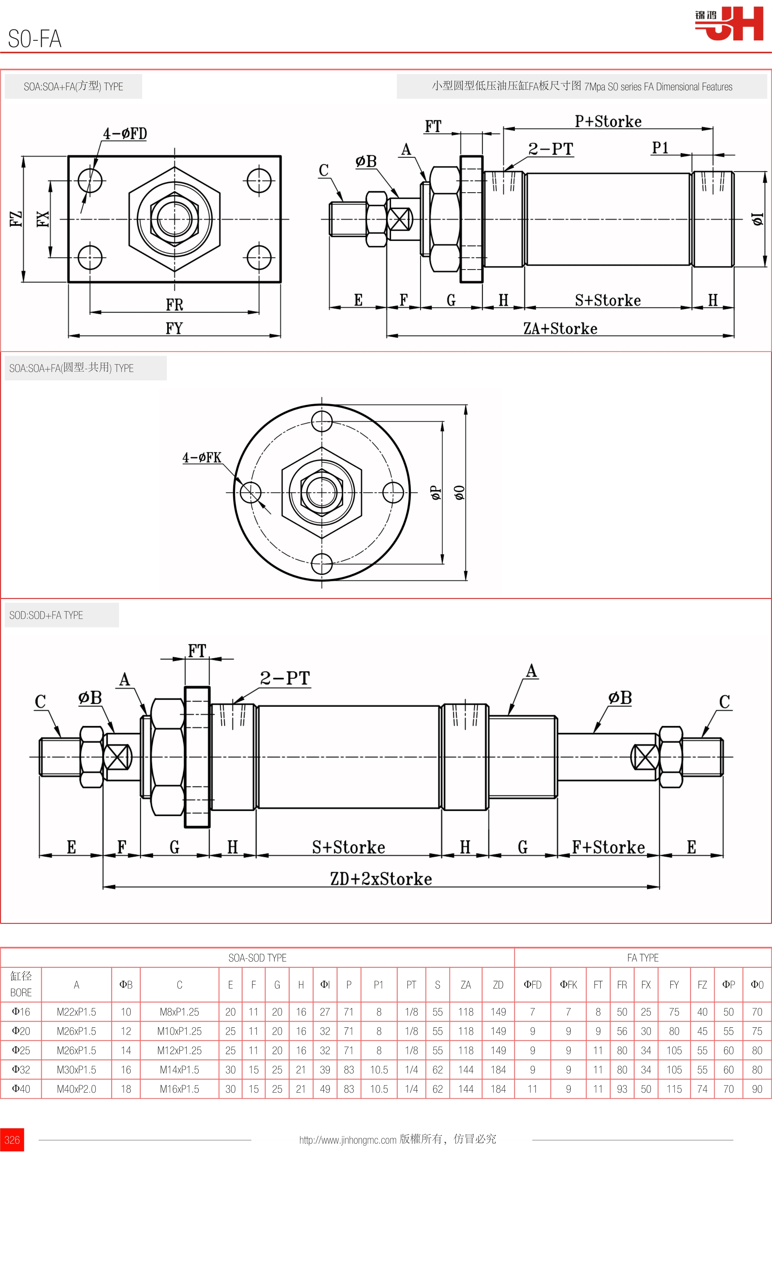
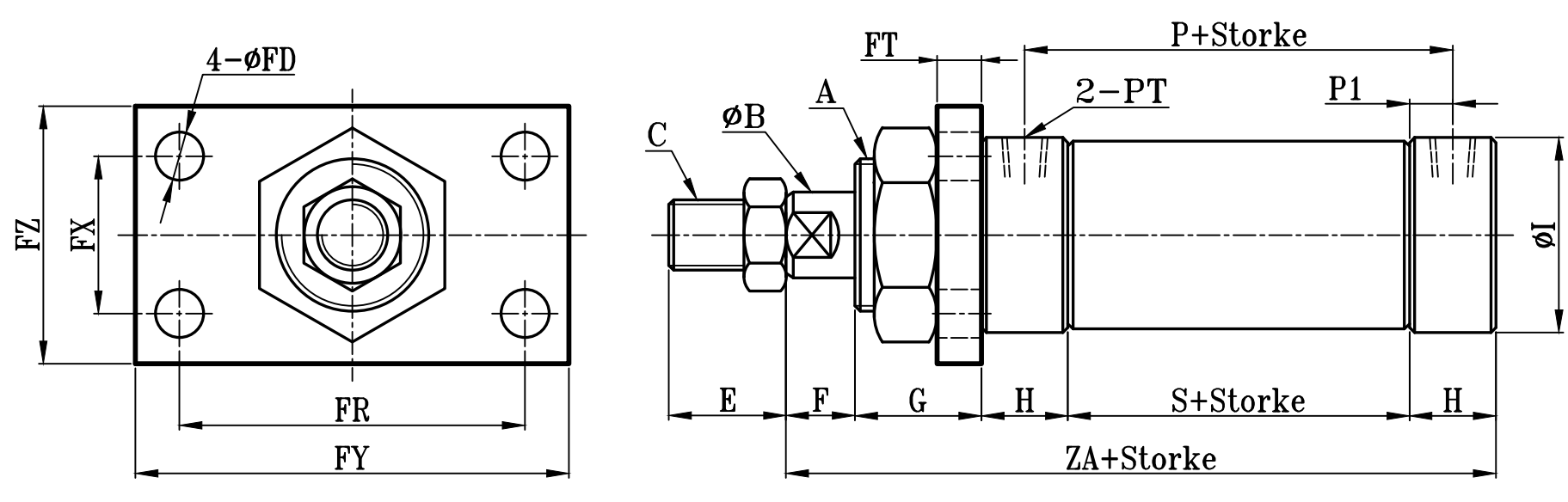
S0-FA

SOA:SOA+FA(方型) TYPE

小型圓型低壓油壓缸FA板尺寸圖 7Mpa S0 series FA Dimensional Features

SOA:SOA+FA(圓型-共用) TYPE

SOD:SOD+FA TYPE

SOA-SOD TYPEFA TYPE
缸徑
BORE
AΦBCEFGHΦIPP1PTSZAZDΦFDΦFKFTFRFXFYFZΦPΦ0
Φ16M22xP1.510M8xP1.2520112016277181/855118149778502575405070
Φ20M26xP1.512M10xP1.2525112016327181/855118149999563080455575
Φ25M26xP1.514M12xP1.2525112016327181/85511814999118034105556080
Φ32M30xP1.516M14xP1.530152521398310.51/46214418499118034105556080
Φ40M40xP2.018M16xP1.530152521498310.51/462144184119119350115747090

歡迎咨詢s0-fa 產品相關問題, 咨詢電話 ? 0769-87330001轉8802,或咨詢在線客服 (工作日:8:30-18:00)。

訂購:s0-fa

跟此產品相關的產品