歡迎來到 東莞市錦鴻塑膠五金模具配件有限公司 網站!

模具配件 VODA

中國地區服務熱線:

180 3348 3551

電話:0769-87330001轉8802

s0-fb
您的位置:首頁 > 模具配件 > 油缸系列
型號: s0-fb -[待選參數]

S0-FB

SOB:SOB+FB(方型) TYPE

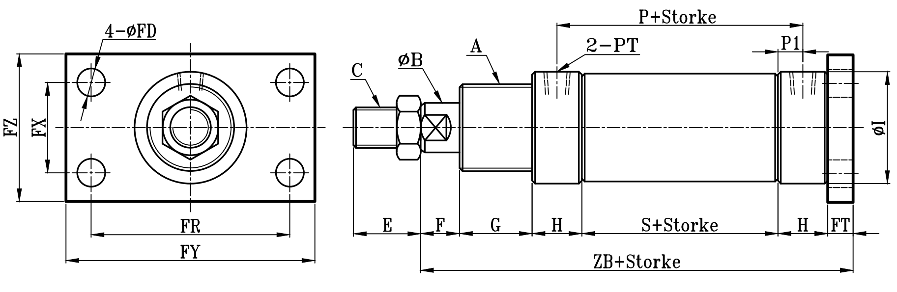
小型圓型低壓油壓缸FB板尺寸圖 7Mpa S0 series FB Dimensional Features

SOB:SOB+FB(圓型-共用) TYPE

SOD:SOD+FB TYPE

SOB-SOD TYPEFB TYPE
缸徑
BORE
AΦBCEFGHΦIPP1PT SZBZDΦFDΦFKFTFRFXFYFZΦPΦ0
Φ16M22xP1.510M8xP1.2520112016277181/855126149778502575405070
Φ20M26xP1.512M10xP1.2525112016327181/855127149999563080455575
Φ25M26xP1.514M12xP1.2525112016327181/85512914999118034105556080
Φ32M30xP1.516M14xP1.530152521398310. 51/46215518499118034105556080
Φ40M40xP2.018M16xP1.530152521498310. 51/462155184119119350115747090

歡迎咨詢s0-fb 產品相關問題, 咨詢電話 ? 0769-87330001轉8802,或咨詢在線客服 (工作日:8:30-18:00)。

訂購:s0-fb

跟此產品相關的產品